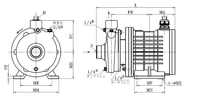
不锈钢
PM屏蔽电机螺旋泵

用于温度控制系统
接液部件标配不锈钢和聚四氟乙烯(PTFE),因此可用于广泛的应用。
由于它具有无密封结构,因此没有泄漏,增加了设备的附加值。
规格点可以通过控制器进行调整。


| 系列名称 | CLPX | |
| 全提升 | *33m | |
| 流量 | *240/min | |
| 液体温度 | -10~90°C | |
| 连接 | RC螺丝 | |
| 材料 | 主机/盖板 | SCS13 |
| 叶轮 | SCS13 | |
| O型圈 | 聚四氟乙烯、氟橡胶 | |
| 轴 | SUS630 | |
| 轴承 | 碳 | |
| 发动机 | 屏蔽电机 | 三个阶段 |
| + | 50赫兹/60赫兹:200~240V | |
| 电机控制器 | 1.5千瓦 | |
| * 可以安装各种电机。 | ||


北崎优势:
1、以下三大类前6项均为日本原厂授权代理销售;其它为厂家项目授权代理销售;
2、未归类的为我司日本本社向日本原厂直接采购,可提供关单和产地证明。
光源类:
1... EYE岩崎——UV灯、照度计 (备库销售)
2... SEN日森——UV固化装置、高压水银灯、紫外光清洗设备 (备库销售)
3... CCS晰写速——环形光源、面光源、光源箱 (部份光源可提供试样)
4... REVOX莱宝克斯——光源箱
5... SERIC索莱克——人工太阳照明灯
6... POLARION普拉瑞——强光灯
7... FUNATECH船越龙——目视检查灯 (备库销售)
8... USHIO牛尾——UV汞灯、小灯泡
9... ATIEC艾泰克——光源、条光、同轴光、强光灯
10...YAMADA依梦达——光源 (备库销售)
仪器仪表类:
1... SANKO山高——膜厚仪、金属探测仪
2... TOKI东机产业——粘度计
3... SONIC索尼克——超声波风速仪、气体及液体流量计 (备库销售)
4... SAKAGUCHI坂口电热——热电偶、耐专线、热电对
5... DIT东日技研——静电消除器、离子风棒
6... SUGIYAMA杉山电机——下死点检测仪、误送检测装置 (备库销售)
7... IJIMA饭岛电子——酸素计、氧气分析仪、浓度计
8... TORAY东丽——气体分析仪
9... HIOKI日置——功率分析仪、记录仪、电流传感器
10...TOPCON拓普康——色彩亮度计、辉度计、照度计 (备库销售)
11...KYOWA共和——应变仪、应变片、传感器 (部份备库销售)
12...USHIO牛尾——照度计 (备库销售)
13...ORC欧阿希——照度计 (备库销售)
14...AND爱安德——水分计、天平、粘度计 (备库销售)
15...YASKAWA安川——磁性开关 (备库销售)
16...RKC——热电偶、温控器 (备库销售)
17...EXCEL——听音机 (备库销售)
小设备类:
1... SIBATA柴田——环境净化设备、大流量采样器、微型泵 (部份备库销售)
2... YAMATO雅马拓——恒温箱、干燥箱、气氛炉
3... NEWKON新光——打孔机、钢印机
4... MUSASHI武藏——点胶机
5... KAIJO凯捷——清洗机
6... TSUBOSAKA壶坂——对比度仪
7... EYELA东京理化---旋转蒸发仪
8... NIDEC尼得科——减速机
9…AKiribis雅科贝斯——加工平台、高速直驱电机
10...OTSUKAEL大塚——光学膜厚仪、粒度仪