

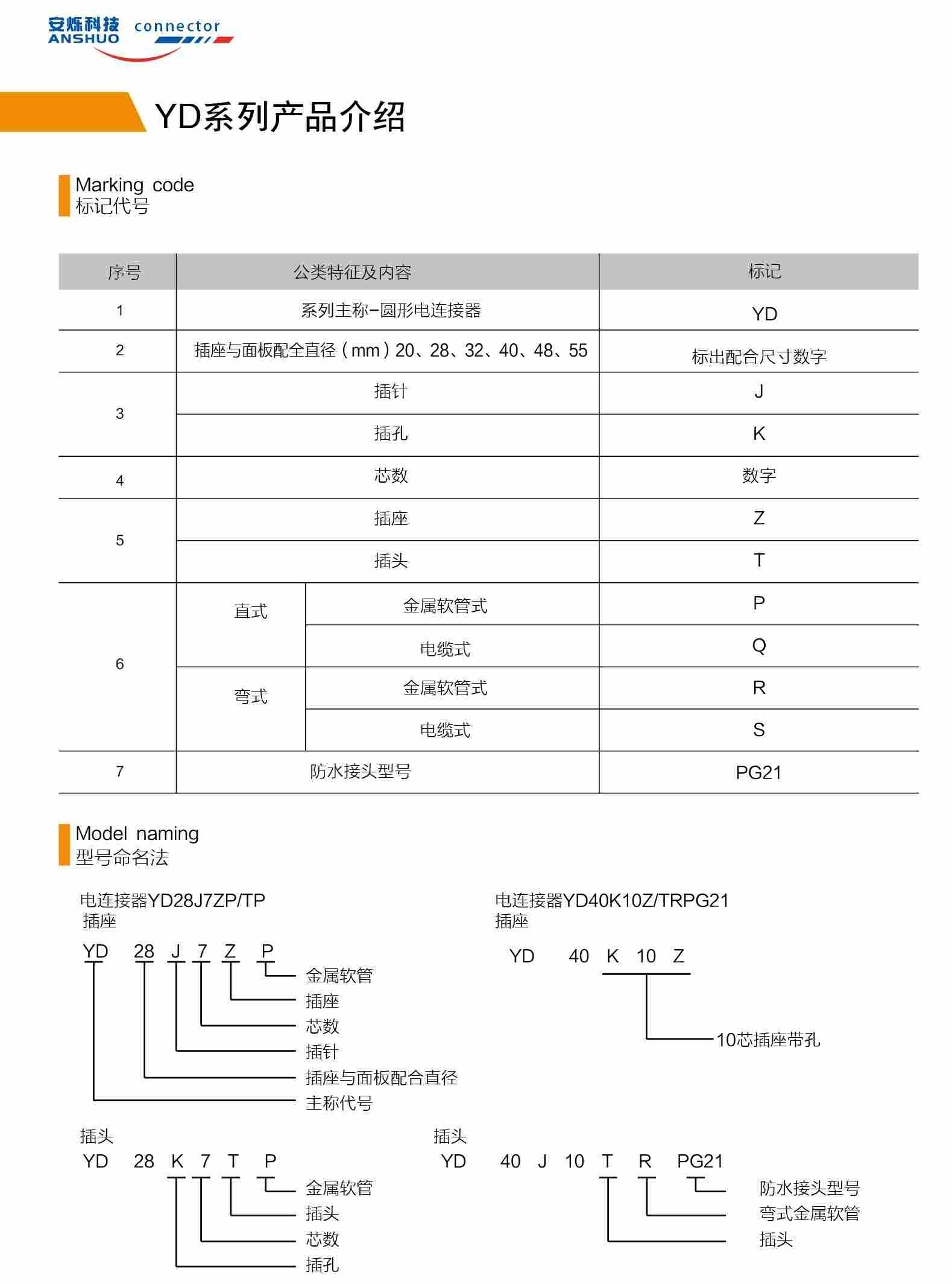
YD系列圆形电连接器适用于各种磨电设备,特别是磨床的动立线路个控制线路的电气连接。连接器符合GB5226-85《磨床电气设备通用技术条件》插头,插座规定要求,按GB4942-85《低压电器外壳防护等级》,其防护等级为IP54。其结构特点如下:连接器插座的安装尺寸与P型插头座完全相同。有保护接地极。连接时,保护接地极先接通,而后载流极接通。分离时,载流极先断开,而后,保护接地极才断快。能防尘和防溅水。插头和插座均有保护罩,使插头插座分离后,能防止灰尘和液体侵入。插头外壳有固定金软管和圆形电缆两种结构
额定电流:5-150A,电压:500-1500V.机械寿命:插拔500次以上.安装尺寸20.28.32.40.48.55MM,安装方式有方法兰固定.
主要用于数控送料机,平台送料机,数控机床,数控冲孔机,:Q11机械剪板机、QC12Y液压摆式剪板机、QC11Y液压闸式剪板机,黄石锻压机床,自动机,冷镦机,紧固件成型机,载波控制技术焊机 ,直流一体充电机等领域