并网点在电流互感器前 光伏四象限无功补偿器破解功率因数困局

来源:杭州时域电子科技有限公司
发布时间:2026-01-09 14:12:13

我们的光伏并网点就在电流互感器前面,结果补偿器一点不起作用,功率因数一直卡在 0.83浙江某纺织厂2MW分布式光伏项目的李经理,*近被电费单上的力调电费压得喘不过气。工厂车间里的纺纱机、织布机等设备多为感性负载,本身无功需求巨大,加上光伏并网点位于CT前端的特殊接线,传统补偿控制器无法*采集电网侧数据,并网半年就累计被罚力调电费近10万元,光伏收益几乎被吞噬殆尽。


纺织厂光伏项目的功率因数问题,远比普通场所复杂:

l  负载特性特殊,车间里大量感性负载,运行时会消耗大量无功功率,本身就存在功率因数偏低的问题;

l  接线错位雪上加霜,并网点位于CT前端导致采样失真,传统控制器只能捕捉负载侧局部数据,无法匹配电网侧真实无功需求,补偿如同盲打;

l  改造限制严格,工厂生产线 24 小时不间断运行,调整CT位置或重新接线需要停产施工,仅停工损失就远罚款,根本不具备实操性。

更关键的是,电网对功率因数有明确考核标准,低于 0.9 就会启动罚款,每低 1% 在电费基础上加收 0.5%,严重时罚款比例能高达 95%,对利润微薄的纺织行业来说,无疑是沉重负担。

李经理在万般无奈下请来了易控宝技术团队帮忙解困。针对该纺织厂的特殊场景,在没有停产情况下,易控宝通过光伏四象限无功补偿控制器+高采低补组合方案帮助李经理破解了难题:

*步:更换易控宝光伏四象限无功补偿控制器

该控制器是专为光伏场景设计的四象限无功补偿控制器,无需改动原有接线。它通过直接捕获电网侧完整电参量,*计算双向有功和无功数据,解决传统控制器看不见、调不准的问题。其毫秒级响应速度,能实时适配光伏出力波动与纺织机械启停的双重动态无功需求,补偿精度大幅提升。

第二步:采用更高精度的高采低补技术方案

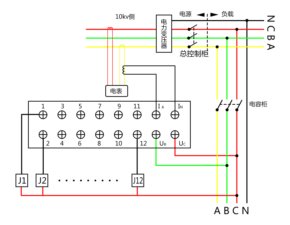
高采低补即高压侧采集电流信号、低压侧实施补偿,能全面反映系统真实无功需求。该方案无需调整并网点或CT位置,仅需在变压器高压侧加装电流互感器,接到低压侧无功控制器,改造周期短,完全不影响工厂正常生产。

并网点在电流互感器前 光伏四象限无功补偿器破解功率因数困局

以上两步方案的搭配使用实现了采样无死角、补偿无偏差的双重保障,*适配纺织厂的生产特性。

让我们看看该纺织厂在使用组合方案后30天的效果:

l  第1天:电网侧功率因数升至0.95以上,远电网考核标准,摆脱了罚款风险;

l  第30天:力调电费从每月罚款1万多转为奖励1百多,系统线损降低约3%,每月额外节省电费支出约4百元。

原本以为要停产改造,没想到换个控制器、优化下方案就解决了大问题。李经理欣喜地表示,现在工厂功率因数稳定在0.97左右,不仅每月省下大额罚款,还能拿到电费奖励,一年预计多增收10余万元,光伏项目的投资回报率显著提升。

并网点在电流互感器前 光伏四象限无功补偿器破解功率因数困局

遭遇类似功率因数难题的光伏项目并非个例。大量纺织厂、印染厂、机械厂的光伏系统,都因车间感性负载集中、并网点与 CT 位置错位等共性问题,陷入发电越多、罚款越多的困境。而光伏四象限无功补偿控制器的安装使用提供了低成本、快见效的破解之道:它既能规避力调电费罚款,还能降低系统线损、延长生产设备寿命,让光伏真正成为企业降本增效的得力帮手!

如果您的光伏项目也存在功率因数低、力调电费高的问题,请随时咨询易控宝技术团队,我们为您提供*解决方案!

欢迎光临TB小店:电力控制仪表行,原厂现货供应易控宝JKG-KAC/JKG-KAZ抗谐波光伏四象限无功补偿控制器、高采低补光伏四象限无功补偿控制器,公司提供远程视频技术指导,若问题没解决,*可退货退款。

以上信息由企业自行提供,信息内容的真实性、准确性和合法性由相关企业负责,仪器仪表交易网对此不承担任何保证责任。
温馨提示:为规避购买风险,建议您在购买产品前务必确认供应商资质及产品质量。

上一篇: HE40XZSN20ENCW2-...
下一篇: 声光告警器LTA-256J(LT...

推荐资料