仓库有货CP08MHT80威格勒测距传感器

CP08MHT80 激光测距传感器 三角测量

特点概览
响应时间< 660 µs (Speed-Mode)
缩放功能
不受材料、色彩和亮度影响的测量值
CMOS行
激光
技术数据表
光学数据
工作范围 30 ... 80mm
测量范围 50mm
*可重现性 60µm
可重复性 1σ 20µm
线性偏差 80µm
光线类型 激光(红)
波长 660nm
使用寿命(Tu = +25 °C) 100,000h
激光等级(EN 60825-1) 2
*允许的外来光线 10,000Lux
光斑直径 参见表 1
电气数据
供电电压 18 ... 30V DC
电流消耗(Ub = 24 V) < 80mA
测量速率 1,500/s
测量速率(Resolution-Mode) 600/s
响应时间 660µs
响应时间(Resolution-Mode) < 1,660µs
温度偏差 < 15µm/K
温度范围 -25 ... 50°C
模拟输出端 0...10 V
电压输出端负载电流 < 1mA
电流输出端负载电阻 < 500Ohm
接口 RS-232
传输速度 38,400Bd
防护等级 III
FDA登录编号 0820588-000
机械数据
设置方式 示教
外壳材料 ABS 塑料
PC 塑料
透镜盖 塑料,PMMA
防护等级 IP67
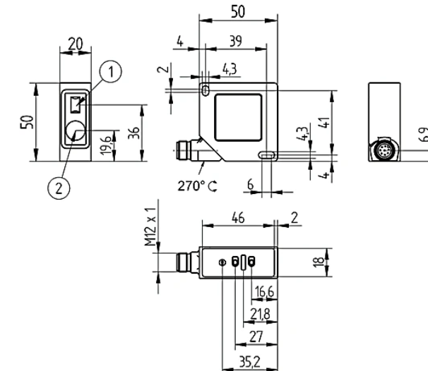
连接方式 M12 × 1;8针
重量 45g
安全技术数据
MTTFd (EN ISO a
常规数据
供货范围 1 × 调试说明
1 × 激光警告标志
1 × 传感器
输出功能
错误输出端 是
模拟输出端 是
RS-232接口 是
可调参数
模拟输出端 0...10 V
4...20 mA
其他参数 缩放模拟输出端
曝光时间
滤波器
激光
分辨率模式
速度模式
工作尺寸图

仓库有货CP08MHT80威格勒测距传感器
