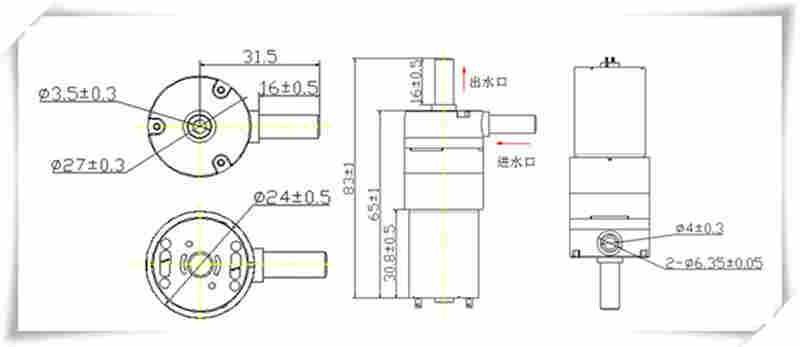
| 1.适用范围 | ||||||||
| 本规格书适用于微型水泵ZR370-06APM DC6.0V DC12.0V DC24.0V之用。 | ||||||||
| 2.測試條件: | ||||||||
| 2-1 測試環境溫度濕度:周圍溫度20℃,相對濕度65%RH 為標準。如無爭議發生可 | ||||||||
| 以在下述環境測試:周圍溫度5-45℃,相對濕度30-80%RH | ||||||||
| 2-2 測試姿勢 : | 水平 | |||||||
| 2-3 負荷Load: 水(Water) | ||||||||
| 2-4 自吸高度 Head>20cm | ||||||||
| 3.性能: | ||||||||
| 3-1 額定電壓: | DC6.0V | DC12.0V | DC24.0V | |||||
| 3-2 使用電壓 : | DC5.0V~6.5V | DC9.8V~14.4V | DC21.0V~26.0V | |||||
| 3-3 负载電流: | 330mA | 160mA | 90mA | |||||
| 3-4 噪音:下垫5cm之海綿, 距噪音计30cm之处, 依额定电压之电源抽水所测得之dB值小于65dB | ||||||||
| 3-5 水流量:在额定电压过水流量大于1000毫升/分钟 | ||||||||
| 3-6 *压力:输入额定电压,水泵抽水,测试出水口*压力值大于200KPa. | ||||||||
| 3-7 使用溫度範圍: 在溫度 0℃到50℃及濕度30%RH 到80%RH 之間泵運作良好。 | ||||||||
| 3-8 保存溫度範圍:在溫度-20℃到60℃及濕度30%RH 到80%RH 之間泵保持在良好的狀態。 | ||||||||
| 4.可靠性試驗: | ||||||||
| 4-1 低溫特性:放置在-20℃經72 小時後,再取出置於常溫(20℃±5℃)中2 小時按3-3 3-4 3-5 3-6 | ||||||||
| 測試無異常。 | ||||||||
| 4-2 高溫特性:在60℃經72 小時放置後,再取出置於常溫(20℃±5℃)中2 小時按3-3 3-4 3-5 3-6 | ||||||||
| 測試無異常。 | ||||||||
| 4-3 高溫高濕:在溫度60℃,濕度80~85%環境中72小時取出置於常溫(20℃±5℃)中2小時按3-3 3-4 | ||||||||
| 3-5 3-6測試無異常。 | ||||||||
| 4-4 低溫環境測試:在5℃經5小時後在此溫度下測試無異狀。 | ||||||||
| 4-5 高溫環境測試:在50℃經5 小時後在此溫度下測試無異狀。 | ||||||||
| 4-6 寿命试验:水泵抽水工作,通电20秒,停10秒为一个循环,测试20,000个循环以后经3-3,3-4,3-5, | ||||||||
| 3-6測試無異常。 | ||||||||
| 4-7 在经过4-1到4-6的测试后,性能衰减值在20%内为合格 | ||||||||
| 5.其他: | ||||||||
| 5-1 跌落試驗:使用標準的包裝方式,在水泥地面上將其從50CM 的高度分別從正面、側面、邊角 | ||||||||
| 自由落下其性能及結構無異常。 | ||||||||
| 5-2 異常試驗:用额定电压連續通電8小時無燃燒、冒煙現象。 | ||||||||
| 5-3 馬達端子:以0.3 公斤砝碼與端子負載無異常。端子須在380℃烙鐵溫度下焊接,要求在2S內操作完成 | ||||||||
| 5-4 外觀:產品不能有破損,脏污。 | ||||||||
| 6.如對此份規格書有任何須修改、增加、或刪除的意見,需經過客戶及本公司雙方面的協商。 | ||||||||