德国依博罗EBRO对夹中式蝶阀全资料
上海颖哲工业自动化有限公司,上海爱丁设备有限公司现统一为
威斯特(上海)传感器仪表有限公司。做进口备件已经十多年,专注欧美,德国美国广东上海皆设有公司。直接从源头厂家询价订货,保证质量的前提下价格也比市场上的要低很多,自己报关进口,时间方面也能节省一半。让你在货期,价格,质量上都不用操心。完善的售后体系,所有经我公司销售的产品非人为的情况下皆保质一年,并终生提供技术支持和远程指导。一个长期的好的供货商能让你少操心,并能轻松完成采购计划。公司部现位于上海黄浦区外滩附近,期待更多的企业加入我们,来公司看外滩美景谈长期合作,展长远鸿图。
作为国际的阀门及执行器供应商,依博罗一直致力于不断的提升产品品质。公司早在1993年就通过了ISO 9000质量体系持续改进是该体系的核心理念,配以高质量的人才队伍,确保了体系的贯彻执行。公司通过整合PED和机械指令中的文件体系要求,建立了高效的,快速的质量反馈机制,让所有客户满意永远是我们的不变追求。
依博罗遵循PED的要求,所有的阀门组装完毕后都经过压力测试,测试标准为EN12266-1同时我们也可以其他的测试如API598,ISO5208.所有组装完毕的阀门,都要经过质检人员的终检测,确保所有参数满足客户的订单要求之后才可以放行发货。
扭矩
- 右表所列数据为液体或润滑介
质的扭矩值(Md)
- 颗粒粉末状(非润滑)介质,
Md×1.3
- 干燥气体 / 高粘度介质
Md×1.2
- 右表所列数据为阀门的启动扭矩
- 动态扭矩备索
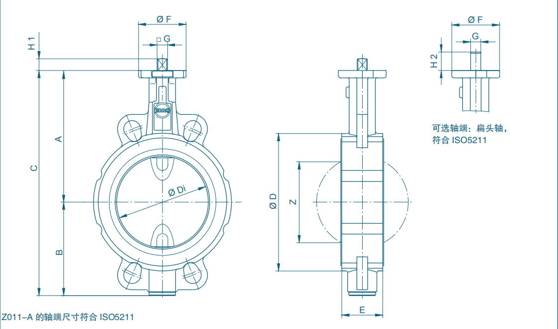
对夹式蝶阀 Z011-A
扭矩
- 右表所列数据为液体或润滑介
质的扭矩值(Md)
- 颗粒粉末状(非润滑)介质,
Md×1.3
- 干燥气体 / 高粘度介质
Md×1.2
- 右表所列数据为阀门的启动扭矩
- 动态扭矩备索
the flow of water at a tempera-
ture of 5°C to 30°C (41°F to
86°F) at ?p of 1 bar
- The Kv-values specified are
d on tests carried out by
the Delfter Hydraulics Laborato-
ries, the Netherlands
- Permissible velocity of flow
Vmax 4,5 m/s for liquids,
Vmax 70 m/s for gases
- The throttle function is linear at
an angle 30° to 70°
- Avoid cavitation
For further values, please contact
our engineers.

德国依博罗EBRO对夹中式蝶阀全资料
产品特点:
保证阀门双向完全密封
阀体和阀板精加工,扭矩小,使用寿命长
阀杆上的三个轴承防止阀杆偏斜,即使使用多年以后,依然能够保证很高的定位精度
四个法兰定位孔确保安装时阀门位置正确
可以单法兰安装:DN20-DN250:3bar
DN300-DN600:2bar
铝阀体不适用
可任意方向安装
免维护
可拆卸,材料可循环使用
