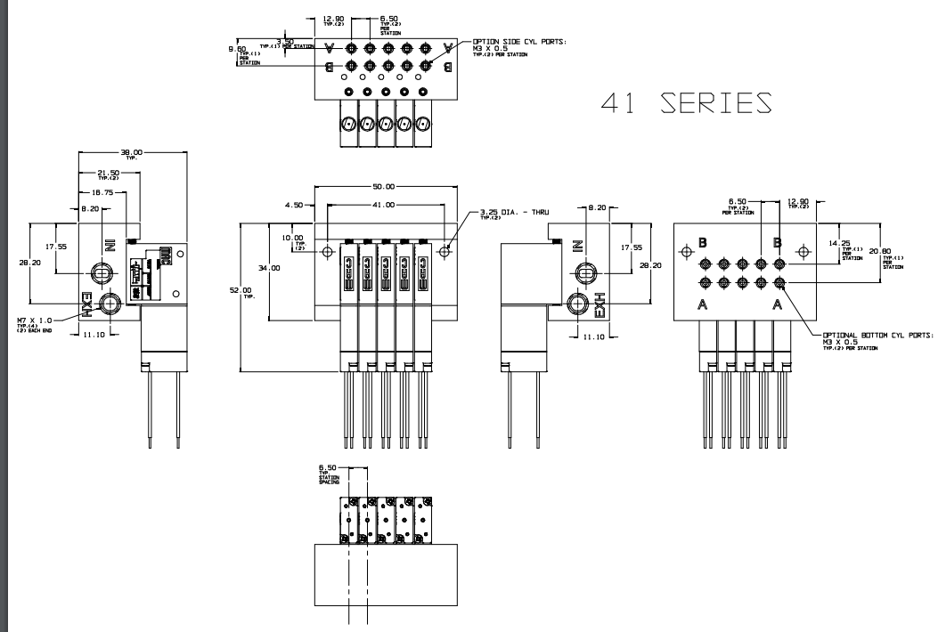
尺寸图片美国MAC平衡阀41A-AAA-TDCA-1BA

发布时间:2018-08-17

尺寸图片美国MAC平衡阀41A-AAA-TDCA-1BA

特征:

MAC 41系列是直接电磁操作的4通 - 6mm - 提升阀。由于设计创新,

具有如此高流量的这种尺寸的直接操作4路是MAC独有的。它采用螺线管中的椭圆形电枢,

平衡的提升阀和强大的复位弹簧。这些特性转化为高换档力,

快速一致的响应时间,小型封装中的高流量和长寿命。

尺寸图片美国MAC平衡阀41A-AAA-TDCA-1BA


上一篇:电动法兰蝶阀 D941X-10/...
下一篇:EYE岩崎照度计探头PD-405