P+F超声波传感器的特性

发布时间:2018-01-22

P+F超声波传感器的特性

倍加福超声波传感器产品特性:

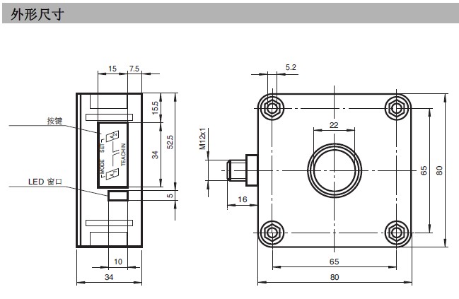
倍加福超声波传感器外观尺寸:

倍加福超声波传感器外观尺寸

倍加福超声波传感器技术参数

倍加福超声波技术参数

我司主要销售倍加福超声波传感器型号如下:作为倍加福代理商,价格优势明显,欢迎咨询购买

UB2000-F42-I-V15

UB2000-F42-U-V15

UC2000-30GM-IUR2-V15

UB2000-30GM-E5-V15

UDC-18GM-400-3E1

UDBK-18GM35-3E2

UDC-18GM50-255-3E1

UDC-18GM50-255-3E0


上一篇:力士乐气缸参数
下一篇:通过科学检测表面清洁度避免激光焊...