经久耐用PNEUMAX纽迈斯17302E系列调压阀

工作原理:
调压阀基本可以说是减压阀,减压阀的工作原理如下:高压介质通过一
大小的阀杆和膜片(活塞)相连,这样只要给一个固定的压力,那么出
个小孔充到一个相对较大的腔里实现减压,实际上是靠截流减压,膜
片或活塞的两面一面是出口腔,一面是人为给的压力,并且控制小孔
口腔的压力就会一直等于这个压力,这个人为给定的压力可以由弹簧
或气源或液压源来提供
性能:
低压大流量减压阀:PL系列低压大流量减压阀,单级式膜片减压结构,
不锈钢膜片压力传输,输出稳定,主要应用于低压大流量气体系统;特
弹簧的弹力时候橡胶调压膜片下方的压缩空气对膜片的作用力,推动
膜片向上拱曲离开阀座而使空气流入气腔,此时卸荷活塞在气压作用
点,大直径波纹膜片提高了压力灵敏度;金属-金属膜片密封;大流量,
小化的压力降;可选择面板安装。调压阀的原理是利用了弹簧力与压
力相平衡的原理,当弹簧的压力小于气压的时候阀关闭,当压力大于
下移动,将排放阀门推离阀座,于是由空气压缩机充入气腔的空气便
通过排放阀和排气口排入大气空气压缩机空转。
实物图:

型号:
1a
1304.125.04f
1a
1304.125.05f
1a
1304.125.08f
1304.125.09/1f
1304.125.09f
.01a
a
a
1a
1a
1304.200.08f
a
1a
1av
1a
1av
1305.160.160.h
1a
1a
25.330.01a
1a
1304.200.09/1f
1304.200.09f
1304.32.25.01
1304.32.25.01a
a
a
1a
1a
1a
1a
.01a
.01
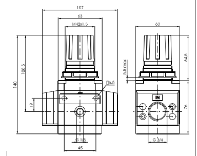
尺寸图:

1a
1a
1a
1av
1a
1a
1a
1306.32.25.01a
1306.32.50.01a
1306.32.75.01a
a
0.01a
a
a
a
1a
0a
1a
1axv
1a
1304.160.03f
1a
1304.160.04f
1304.160.05f
1a
1a
1a
1304.32.50.01
1304.32.50.01a
1304.32.55.01a
1304.32.75.01
1304.32.75.01a
1304.32.80.01
1304.32.80.01a
1a
1a
3a
1a
1av
1a
1304.160.08f
1304.160.09/1f
经久耐用PNEUMAX纽迈斯17302E系列调压阀