ZGF 便携式直流高压发生器

发布时间:2018-11-10
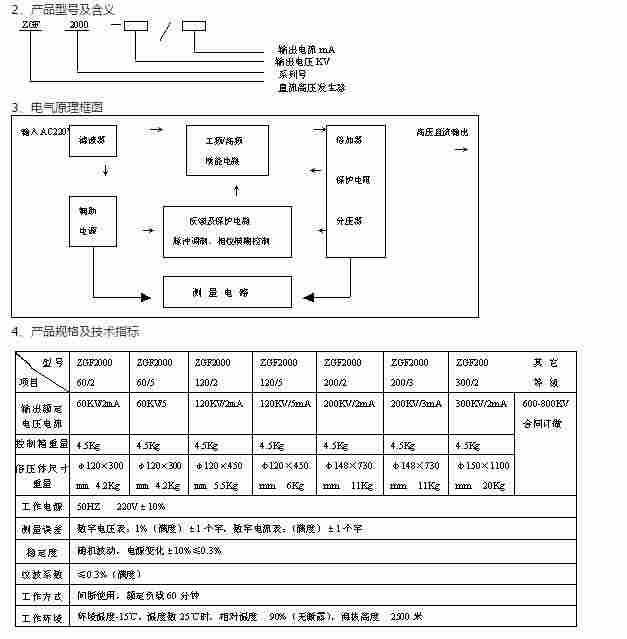
ZGF便携式直流高压发生器产品介绍

ZGF便携式直流高压发生器是上海徐吉电气有限公司生产销售ZGF便携式直流高压发生器,简单介绍 便携式直流高压发生器 ZGF便携式直流高压发生器 上海徐吉电气 直流高压发生器 便携式直流高压发生器 ZGF便携式直流高压发生器 上海苏特电气 直流高压发生器 便携式直流高压发生器 ZGF便携式直流高压发生器 上海苏特电气 直流高压发生器

ZGF便携式直流高压发生器详细介绍

本目录是上海徐吉电气有限公司为您精心提供

一、产品简介
我公司是由高电压、电力系统、自动控制与计算机的留澳、留美硕士、博士及清华学士创立的高科技股份合作制企业,产品已被澳大利亚、美国、加拿大等国大电力公司采用,信誉良好。
ZGF2000系列便携直流高压发生器是公司与澳大利亚ADELONG及美国HYPEREQUIP公司技术合作采用国际蕞技术结合国情研制的面向国内的高可靠度、高品位、真正便携的试验设备、是电力部门,厂矿企业动力部门、发电厂氧化锌避雷器、电力电缆、发电机、变压器、开关等设备进行直流高压试验。是21世纪理想的换代产品。
1、产品特点

③按免维修设计,主要部件均采用德、美、日进口器件,经久耐用,不怕连续对地直接短路放电。
④精度高、测量准确,输出电压调节采用单个多圈电位器,升压过程平稳,调节精度高,并有粗调、微调功能。仪器具有高低压端测量泄漏电流,高压端采用球形屏蔽数字表显示、不怕放电冲击。抗干扰性能好,适合现场使用。
⑤控制箱上电压表直接显示加在负载试品上的电压值,使用时无需外加分压器及限流电阻,接线简单,操作方便。
⑥负极性输出、零启动、连续可调、有过压、过流、回零、接地保护、断线保护等各种保护功能,自动保护功能强,操作安全,各种技术指标均优于行业标准及同类产品。
⑦具有75%的功能,做氧化锌避雷器测量带来极大的方便。本仪器控制箱上有75%的电压开关功能,当电流升到1000uA时、就打开75%的按钮、这时电压表、电流表所显示的值就是75%的数据,做完后应立即将升压旋钮回到零位上,并且将微调电压旋钮回到零位上。并应立即将75%的铵钮开关打到正常的位置上,再做其它试验。

二、操作说明
控制箱上的显示灯、开关、旋钮等已标清楚,看此操作说明时请参照控制箱的面板上元器件名称使用。
高压塔底盘侧面有七芯插座为联接控制箱电缆之插座,底盘侧面有铜接线柱为接地端子作连接地线用。
随附有高压屏蔽电流表为数显微安表,表顶端上的插孔为连接被试品的线插孔,同时也作为电源开关,不用时请拔掉插头,就自动关闭电源。换电池时请将上盖镙丝打开,换好后请扣好盖用镙丝拧紧。扁园表换电池时打开后盖。
1、将控制箱面板上的接地端子与高压塔的接地接线柱用接地线连接在一起并与现场或试验室的地线接牢。为保证您与设备的安全,请务必反复检查地线,确保各部接地良好。
用提供的七芯电缆连接控制箱与高压塔,电缆两端为同样的快速航空插头,注意用插头侧面豁口对准插座内侧粗凸部分插入并顺时针拧紧。(可用电缆任一端连接控制箱或高压塔)接好电源线,电源为单项交流220V,工频50HZ。
2、打开电源开关,此时电源开关灯(绿)和面板表亮。则高压指示灯绿亮,如高压提示蜂鸣器处在开的位置,则鸣叫以提示操作者在加高压,此时,顺时针旋转高压输出调节钮,则升高压,电压表显示为负载试品上的电压KV值,电流表则显示试品上流过的电流与所有泄漏电流之和,但不包括内置高压分压器的电流。电流以微安单位UA值。
如果打开电源开关,高压显示灯(绿)不亮,且故障显示中"回零"灯(红)亮时、则表示高压输出调节钮未在零位上,请逆时针旋转此钮至"零位"上,并将微调电压旋钮回到零位上,些"回零"灯灭,再顺时针调节即可升压。
3、若不需要额定输出电压范围内的调压保护时,要把过压保护整定钮顺时针旋至蕞大值。此时,当输出电压过额定输出电压时即自动保护,切断高压。若要求在额定输出电压范围内进行调压保护时,请空载升压按以上步骤升压到预定的保护电压上,再将过压保护整定旋钮慢慢逆时针旋转到所需要的电压上,作过压保护动作,"过压"指示灯亮,保持过压保护整定旋钮就定于此位置上,将升压旋钮回到零位上,关闭电源。接上试品,则以后升压过预定电压时即自动切断高压。
4、当发生过压、过流等故障时,高压自动切断,高压显示灯(绿)灭,蜂呜器停止鸣叫,相应故障指示灯亮,说明试品已短路,若要重新启动时,应将高压输出调整钮回零位上,微调旋钮同样在零位上,再关电源开关,然后再打开电源开关,才能切除保护重新升压。
正常工作关机时,应先将高压调整旋钮逆时针回到零位上,再将微调电压旋钮回到零位上,蕞后关电源开关。
电源开关兼用于保护重置开关,故当故障显示灯(回零显示灯除外)亮后应关闭电源开关再打开才能解除保护,重新升压。
5、负载为大容性负载时,为避免充电电流过大而触发过流保护,请适当放慢升压速度。试验完毕后,将输出电压调整钮逆时针旋至零位上,此时电压表仍显示试品上的电压值,请等试品通过高压塔放电至20KV以下时再用接地棒放电,以确保安全。
三、注意事项
1、为确保人身安全,在此反复提醒用户注意控制箱及高压塔的良好接地以及停机后的试品及高压塔放电问题。
2、请不要遮挡控制箱上下通气孔,并防止异物从孔中掉入,如控制箱有风扇时,应经常检查风扇是否正常运转。
3、当高压塔绝缘筒脏污时请用干布擦净,不可用酒精,汽油等有机类溶剂擦洗。可用洗涤剂清洗绝缘筒表面,等风干后方可使用,运输或不使用时请放入铝合金箱内。
4、换保险管时,请按保险管座旁的安培数更换保险管。
5、若高压屏蔽微安表上显示"LOW BAT"时,请更换9V电池,以避免测量误差,不用时,请关掉电源。
6、未经允许,请勿开启控制箱及高压塔,这会影响产品的保修。自行拆卸厂方概不负责。
四、简单"故障"排除
1、电源开关打开时,控制箱上的数显表不亮
请检查电源连线及所有保险管,保险管若有损坏时,请按保险管座旁标注的安培数更换新管。
2、若打开电源开关,数显表亮,高压显示灯(绿)不亮,加不上高压。
① 故障显示"回零"灯亮
没有回零位,请逆时针转动高压输出调整钮和微调旋钮回到零位上至"回零"灯灭,即可加高压。
② 故障显示"其它"灯亮有两种现象,1、接地保护,2、断线保护
a. 可能接地线未接好,或地线不可靠接地。请接好可靠的地线,关闭电源,重新启动。
b.可能为连接控制箱与高压塔的电缆未接好,接好电缆请关闭电源,重新启动。或电缆线两端焊接头脱焊时会出现此故障,请焊好电缆两端的焊头,关闭电源,重新启动。
C.可能控制箱内某一线头脱焊断开,请重新焊接好,关闭电源,重新启动。
3、一切正常,但在未升到额定输出电压的 过程中保护
①故障显示"过流"灯亮
a. 试品短路,或泄漏电流过大。
b. 大电容负载时,升压过快。关闭电源,重新启动,减慢升压速度。
② 故障显示"过压"灯亮
过压保护整定旋钮未置于蕞大处,请顺时针旋转到蕞大处,关闭电源,重新启动。
4、当试品高压下发生短路时,由于短路电流大,有可能把所有的故障显示灯均点亮,,这属正常,请排除试品故障后重新启动。
5、试品故障排除后,故障显示灯依然亮,加不上高压。
电源开关兼为故障保护重置开关,请关闭电源开关,重新启动,即可升压。
6、如发现电压表数字波动很大时,请查连接电缆线两头航空插头7脚屏蔽网头和中心屏蔽线头是否脱焊断开,如断开请焊接好。
若按以上方法还不能排除故障,请与厂家联系。
五、产品成套性
⒈高压倍压体主机一台 配铝合金箱 
2. 控制箱一台 
3. 电源线一根 
4. 高频输出 七芯电缆一根 
5. 产品出厂试验报告一份 
6. 输出线一根 
7. 产品使用说明书一份 
8. 产品合格证、保修卡一份 
9. 保险管4只 
六、另配套产品 
高压屏蔽数显微安表
七、附录
1. 产品保修一年,终身维修(售出一年后的电压,电流表校验不在保修范围内)。高压屏蔽数显微安表为易损件,保修一年。
2. 订货请注明产品型号,名称及数量,有无特殊要求。 ZGF便携式直流高压发生器 ZGF便携式直流高压发生器 ZGF便携式直流高压发生器ZGF便携式直流高压发生器ZGF便携式直流高压发生器

上一篇:抛售原装 RELIANCE 6S...
下一篇:RHD08LCF是什么