德国SICK施克轨道传感器WTB4-3P2262测量距离

全面检测
它能够承受冲击或振动引起的高机械应力,
使用这种技术的传感器功能比以往任何时候都更加强大,
SICK 光电传感器可识别各种不同种类与特征的物体。
质量,值得信赖。
它符合当今工业所需的所有相关规范和标准。
得益于 SICK 自有的集成电路 SIRIC?,
满足一切条件,符合所有规范和标准
同时能够对抗所有已知光学或电磁影响。
无论是透明还是深色,小巧还是快速,多孔还是发亮,
从迷你型到紧凑型:得益于众多的外壳与操作选项,
您可以始终信赖 SICK 传感器。
不平整或是缠绕薄膜,亦不关乎远近。
其中包括例如欧盟合规性、UL 以及 RoHS。
SICK 传感器可靠检测任何种类的物体。
仍可提供可靠的检测结果。由于结构坚固,
潮湿环境抑或接触化学品(如清洁剂):
无论是多尘、极端温度还是温度变化,
凭借 SIRIC?,数字信号处理方法得以纳入光电传感器领域。
适用于所有机器型号
SICK 光电传感器适配所有机器型号。
SICK 内部测试准则甚至时常过法律规定与市场通用标准。
同时免受电磁干扰影响。
塑料或特氟龙涂层。
在外壳材料方面,您可以选择不锈钢、VISTAL?、金属、
无论面对何种条件:SICK 光电传感器始终可靠工作。
借助现代化通信方式,它们可以无缝集成至自动化网络中。
即使受到强烈的环境光影响或背景反光干扰,
同时提供多种不同的连接和操作选项。
所有 SICK 传感器均易于调节,方便安装。
产品特点
| 传感器原理/ 检测原理 | 反射式光电扫描仪, 背景抑制功能 |
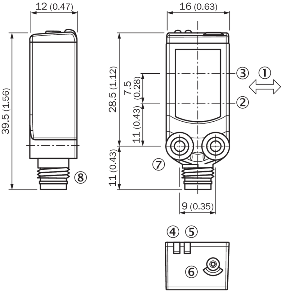
| 尺寸(宽 x 高 x 深) | 16 mm x 39.5 mm x 12 mm |
| 外壳形状(光束出口) | 方形 |
| 大开关距离 | 4 mm ... 150 mm 1) |
| 感应距离 | 15 mm ... 150 mm 1) |
| 光源种类 | 可见红光 |
| 光源 | PinPoint-LED 2) |
| 光点尺寸(距离) | Ø 7 mm (50 mm) |
| 轴长 | 650 nm |
| 设置 | 单示教按键 |
| 特殊应用 | 检测小型物体 |
1) 具有 90% 反射率的扫描对象(指 DIN 5033 规定的标准白).
2) 平均使用寿命:100,000 小时,TU = +25 °C.
机械/电子参数
| 供电电压 | 10 V DC ... 30 V DC 1) |
| 残余纹波 | < 5 Vss 2) |
| 电流消耗 | 20 mA 3) |
| 开关量输出 | PNP |
| 开关功能 | 补偿量 |
| 开关类型 | 明/暗切换 |
| 输出电流 Imax. | ≤ 100 mA |
| 响应时间 | < 0.5 ms 4) |
| 开关频率 | 1,000 Hz 5) |
| 连接类型 | 插头,M8,4 针 |
| 保护电路 | A 6) C 7) D 8) |
| 防护等级 | III |
| 重量 | 30 g |
| 外壳材料 | 塑料, ABS |
| 材料、光学元件 | 塑料, PMMA |
| 外壳防护等级 | IP67 IP66 |
| 运行环境温度 | –40 °C ... +60 °C |
| 存储环境温度 | –40 °C ... +75 °C |
| UL 文件编号 | NRKH.E181493 & NRKH7.E181493 |
1) 极限值.
2) 不得过或低于 UV公差.
3) 无负荷.
4) 信号传输时间(电阻负载时).
5) 亮暗对比度为 1:1 时.
6) A = UV 接口(已采取反极性保护措施).
7) C = 抑制干扰脉冲.
8) D = 抗过载电流和短路保护输出端.
安全技术参数
| MTTFD | 1,351 年 |
| DCavg | 0% |





德国SICK施克轨道传感器WTB4-3P2262测量距离