DHX-Ⅱ高压定相器产品介绍
DHX-Ⅱ高压定相器是上海徐吉电气有限公司生产销售,
详细介绍
DHX-Ⅱ高压定相器本目录是上海徐吉电气有限公司为您精心提供:
目录是由上海苏特电气有限公司为您精心提供的:
一、DHX-Ⅱ高压定相器概述
DHX型高压核相仪适用于高压电力线路的相位核定工作,该产品由上海市电力研究所会同上海供电局,对该产品进行了电气性能方面的试验,现将试验结果整理如下:
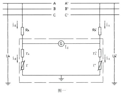
二、DHX-Ⅱ高压定相器工作原理
图一中,RA=RA′为固定电阻核相棒。固定电阻Ra=Ra′可调电阻r与r′和微安表Ig组装成一只核相表。根据广义交流电桥原理。当UA=UA′时,调节r和r′可使电桥平衡,即Xg=0,此时,被测两端电端电压幅度值和电位相同。如果两端电压电位相同,而幅值不完全相等,调节r和r′仍能使电桥平衡。只有当两端相位不相同时,调节r和r′不能使电桥平衡即Ig=0。此时,被测两端电压不是相同位。

三、DHX-Ⅱ高压定相器测试结果
1、单根核相棒电阻值和外形测量结果见表1。
表1
试 品 | 标 称 | 实 测 | 误差 | 标 称 | 实 测 | 误差 | |
10 | A | 900 | 865 | -5 | 100 | 100 | 0 |
A′ | 900 | 865 | -3.8 | 100 | 100 | 0 | |
35 | A | 1100 | 1080.3 | -1.7 | 357 | 380 | 6.4 |
A′ | 1100 | 1080.3 | -1.7 | 357 | 380 | 6.4 | |
110 | A | 1100 | 1150 | 4.5 | 660 | 740 | 12 |
A′ | 1100 | 1150 | 4.5 | 660 | 740 | 12 | |
2、单根核相棒工频耐压试验结果见表2。
表2
试品额定电压(kV) | 试验电压 | 持续时间 | 结 果 |
10 | 50 | 5 | 良好 |
35 | 105 | 5 | 良好 |
110 | 300 | 5 | 良好 |
测试时环境温度:17.5℃。
4、核相仪整体试验
(1)试验室测试接线见图二。

(2)测试结果见表4。
试 品 | 试 验 | 测 量 | 元件 | *大电流下持续5分钟元件的温升 ℃ |
10 | 1.0u线=10 | 87 | 674 | 4.5 |
2.0u线=20 | 190 | |||
35 | 1.0u线=35 | 93 | 443 | 5.5 |
2.0u线=70 | 184 | |||
110 | 1.0u相=63.5 | 72 | 443 | 5 |
2.0u相=127 | 138 |
四、结论
1、DHX型核相仪系在运行电压下,进行高压电力线路的核定相位工作,属带电测试工具,特别对直接接触高电压的核相棒进行了较高的工频耐压试验。结果表明其绝缘性能和安全距离均能满足电业安全规程要求。另外由于核相棒末端装有放电指示管,当核相棒末端与核相表连线断开情况下,也能保证人身和设备安全。
2、从模拟两端电压来看*大相位差30°的同名相电压(如经过长距离输电的线路),虽然调节r和r′电阻不能使电桥完全平衡。但与不同名相的其他两相所测得Ig值相比,它们之间的差值2~3倍,仍能分辨三相的不同相位。
3、经有关供电局较长时间的实际使用,普遍反映该仪器安全、可靠、使用方便,核相分辨能力高,携带轻便。
4、该仪器经过一定的高压校验后,还可作测量高电压之用。
