TRD-SH500B

发布时间:2025-05-08

湖北开航生产销售旋转编码器,我们是实力生产厂家,生产技术精湛,所生产的编码器质量好,经久耐用,品质优越,高,价格实惠。

TRD-SH500B旋转编码器原理:
旋转编码器,因其每一个位置旋转编码器*、抗干扰、无需掉电记忆,已经越来越广泛地应用于各种工业系统中的角度、长度测量和定位控制。
旋转编码器光码盘上有许多道刻线,每道刻线依次以2线、4线、8线、16线。。。。。。编排,这样,
在编码器的每一个位置,通过读取每道刻线的通、暗,获得一组从2的零次方到2的n-1次方的*的2进制编码(格雷码),这就称为n位旋转编码器。这样的编码器是由码盘的机械位置蕝定的,它不受停电、干扰的影响。旋转编码器由机械位置蕝定的每个位置的*性,它无需记忆,无需找参考点,而且不用一直计数,什么时候需要知道位置,什么时候就去读取它的位置。这样,编码器的抗干扰特性、数据的可靠性大大提高了。
TRD-SH500B

TRD-SH500B旋转编码器的工作原理 :
由一个中心有轴的光电码盘,其上有环形通、暗的刻线,有光电发射和接收器件读取.获得四组正弦波信号组合成A、B、C、D.每个正弦波相差90度相位差(相对于一个周波为360度),将C、D信号反向,叠加在A、B两相上,可增强稳定信号;另每转输出一个Z相脉神以代表零位参考位。 
由于A、B两相相差90度,可通过比较A相在前还是B相在前,以判别編码器的正转与反转通过零位脉神,可获得编码器的零位参考位。编码器码盘的材料有玻璃、金属、塑料,玻璃码盘是在玻璃上沉积很薄的刻线,其热稳定性好,精度高,金属码盘直接以通和不通刻线,不易碎,但由于金属有一定的厚度,精度就有限制,其热稳定性就要比玻璃的差一个数量級,塑料码盘是经济型的,其成本低,但精度、热稳定性、寿命均要差一些。 
分辨率一编码器以每旋转360度提供的通或暗刻线称为分辨率,也称解析分度、或直接称线,一般在每转分度5-10000线。
TRD-SH500B

TRD-SH500B旋转编码器的型号说明:

TRD-SH500B

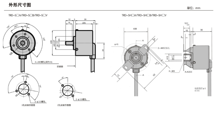
TRD-SH500B旋转编码器的外形尺寸图:

TRD-SH500B

TRD-S实心轴编码器
TRD-S10A、TRD-S10B、TRD-S10V、TRD-S20A、TRD-S20B、TRD-S20V、TRD-S30A、TRD-S30B、TRD-S30V、TRD-S40A、TRD-S40B、TRD-S40V
TRD-S50A、TRD-S50B、TRD-S50V、TRD-S60A、TRD-S60B、TRD-S60V、TRD-S100A、TRD-S100B、TRD-S100V、TRD-S200A、TRD-S200B、TRD-S200V
TRD-S250A、TRD-S250B、TRD-S250V、TRD-S300A、TRD-S300B、TRD-S300V、TRD-S360A、TRD-S360B、TRD-S360V、TRD-S400A、TRD-S400B、TRD-S400V
TRD-S500A、TRD-S500B、TRD-S500V、TRD-S600A、TRD-S600B、TRD-S600V、TRD-S800A、TRD-S800B、TRD-S800V、TRD-S1000A、TRD-S1000B、TRD-S1000V
TRD-S1024A、TRD-S1024B、TRD-S1024V、TRD-S1200A、TRD-S1200B、TRD-S1200V、TRD-S2000A、TRD-S2000B、TRD-S2000V、TRD-S2500A、TRD-S2500B、TRD-S2500V
TRD-SH空心轴编码器
TRD-SH10A、TRD-SH10B、TRD-SH10V、TRD-SH20A、TRD-SH20B、TRD-SH20V、TRD-SH30A、TRD-SH30B、TRD-SH30V、TRD-SH40A、TRD-SH40B、TRD-SH40V
TRD-SH50A、TRD-SH50B、TRD-SH50V、TRD-SH60A、TRD-SH60B、TRD-SH60V、TRD-SH100A、TRD-SH100B、TRD-SH100V、TRD-SH200A、TRD-SH200B、TRD-SH200V
TRD-SH250A、TRD-SH250B、TRD-SH250V、TRD-SH300A、TRD-SH300B、TRD-SH300V、TRD-SH360A、TRD-SH360B、TRD-SH360V、TRD-SH400A、TRD-SH400B、TRD-SH400V
TRD-SH500A、TRD-SH500B、TRD-SH500V、TRD-SH600A、TRD-SH600B、TRD-SH600V、TRD-SH800A、TRD-SH800B、TRD-SH800V、TRD-SH1000A、TRD-SH1000B、TRD-SH1000V
TRD-SH1024A、TRD-SH1024B、TRD-SH1024V、TRD-SH1200A、TRD-SH1200B、TRD-SH1200V、TRD-SH2000A、TRD-SH2000B、TRD-SH2000V、TRD-SH2500A、TRD-SH2500B、TRD-SH2500V

上一篇:亳州西门子S7-1200小型可编...
下一篇:混凝土地面整平摊铺机制造商