正常报价IZD10-510日本SMC表面电位传感器

特长
携带性优良的表面电位计。
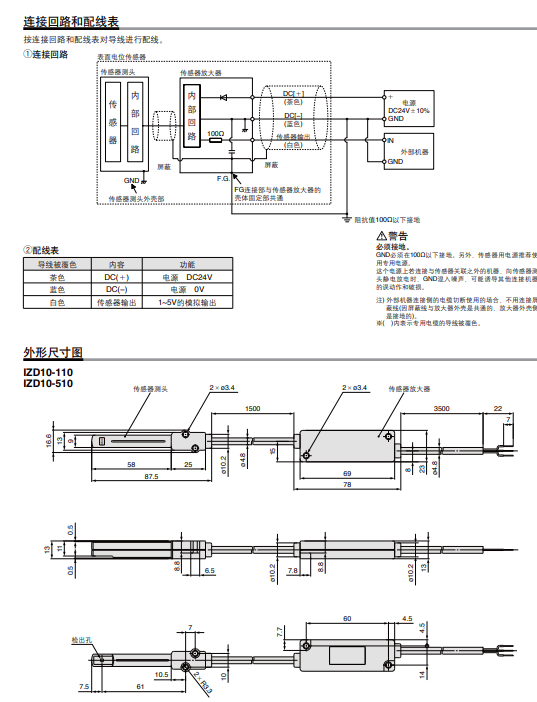
检测工件的带电电位,输出模拟电压
表面电势传感器,用于检测工件的充电电势并输出模拟电压。
[特点]
-重要的是要确认静电管理的实际情况。
・可以测量多种充电电位。
-小巧且易于安装。

-安装距离(IZD10-110):10至50 mm(安装距离为25 mm时为±0.4 kV)。
-安装距离(IZD10-510):25到75 mm(当±20 kV安装距离为50 mm时)。
IZS30 (EN) 棒型/扇形放电/ ±6000V/ ±30V 以下
除电时间0.3秒
带表面电位传感器
除电对象的极性和带电量的检出
根据工件的极性释放出带电离子

CDRB2BWU20-180S
ZFC100-04B
ZFC100-06B
ZH05BS-06-06
ZH07BS-06-06
ZH10BS-06-06
CXSM6-20
CXSM10-30
ZSE40A-01-R
ZSE40AF-01-R
ISE40A-01-R
VT307-5G1-01
VT307-5G1-02
VTB-W-SET
VK332-5G-M5
GP46-10-01L5
GP46-10-02L5
AR20-02
AR25-02
AW20-02B-A
AF20-02
正常报价IZD10-510日本SMC表面电位传感器