纽迈司双电控电磁阀型号488.53.31.0.0M11
相关参数:
这类是二级阀电气驱动一个300系列直动阀通过气动去驱动一个主阀内置的系统允许系统的配置仅需非常小的空间先导气通常从进气口获取(内先导)*的驱动信号是电
这类电磁阁的尺寸及机械结构与200系列相似因此电磁街G1/8"G1/4"G1/2"及G1"的气动参数一致仅仅是由电驭动产们有一个平衡阀芯对于有没有压力不敏感它们被构造成三通或五通含一个线圈(单稳态)或两个线圈(双稳态),同样的三位五通中封中泄中压形式
订货号仅涉及到电磁阀已装配机械先导头"M2"或电磁阀"S*"(见300系列*节)(M2不包括线圈,线圈需要单独订购)
M2用线圈及电磁阀S*可供us(见300系列).
聚氨酯密封适合于无油操作这种情况下订货号变更为
G1/8变更为438.S5及478M2G1/4变更为434...S5及474...M2G1/2”变更为432...S5
重要:这种阀如果温度过40℃且还有水或高湿度密封的机械性能会逐渐衰减化学反应(水解)过程取决于环境温度有些情况下密封变得易碎且变成颗粒状装备有聚氨酯的阀不适合热带气候.
需要注意的是内先导式的电先导始终需要1口的进气如果有一个三通常开的配置需要也有必要调换先导头位置
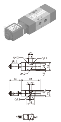
在展示每个阀的表格中输出流量NL/min是在进气口为6bar输出口有1bar的压降所有的信息使用CETOPRP 50P获得
G1/8及G1/4电磁阀可以装备微型线圈或标准线圈它们可以安装在水平或垂直于阀体的方向请注意当微型线圈可以任意方向安装时标注线圈需要如照片或图示安装.


如您有FESTO,SMC,ASCO BURKERT,NORGREN P+F,PILZ 安士能 CAMOZZI HYDAC Bifold SICK,CKD,REXROTH 派克 IFM 小金井 MAC DODL TPC KANEKO TOYOOKI SUN TSUBAKI椿本 ACE ODE Balluff HARTING GEFRAN WAGO OMRON 施耐德 SEW 劳易测 山武 霍尼韦尔 Schmalz SCHMERSAL 诺信 科瑞 ELCO OPTEX 倍加福 威图 Dwyer HENGSTLER UNIVER krom DUNGS YTC ROSS Bonfiglioli AVENTICS VICKERS ATOS WANDFLVH万福乐 大金Daikin 哈威HAWE 迪普马液压 IHI泵 ROSS GE模块记得找我哦,只要是进口件,欧美日韩的都可以找我,期待您的询价
纽迈司双电控电磁阀型号488.53.31.0.0M11