一、概述
LWGY系列液体涡轮流量计可测量液体的流量。传感器具有精度高、寿命长、操作维
护简单等特点,广泛用于石油、化工、冶金、供水、造纸等行业,是流量计量和节能的理想
仪表。

二、原理
被测液体经传感器时传感器内叶轮借助于液体的动能而旋转。此时叶轮叶片使检出装
置中的磁路磁阻(光路切割)发生周期性变化,因而在检出线圈两端就感应出频率与流量成
比例的电脉冲信号,经放大器放大后远传输出。

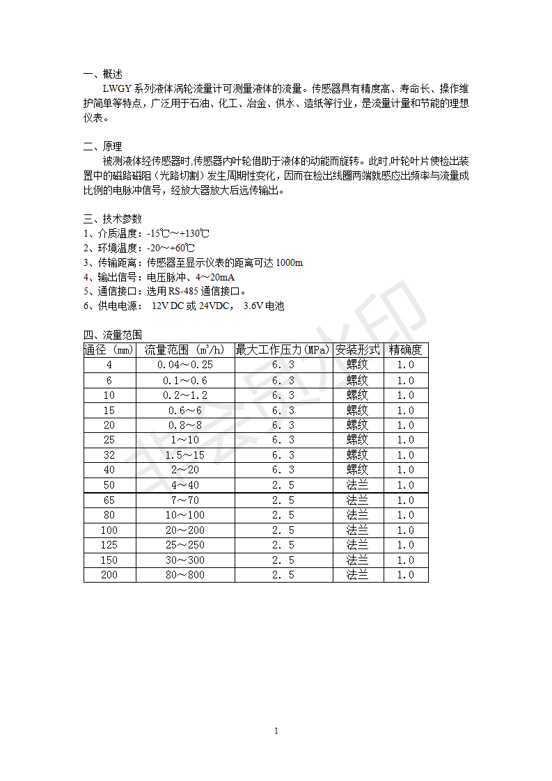
三、技术参数
1、介质温度: -15C~+130C
2、环境温度: -20~+60C
3、传输距离:传感器至显示仪表的距离可达1000m
4、输出信号:电压脉冲、4~20mA
5、通信接口:选用RS-485通信接口。
6、供电电源: 12VDC 或24VDC,3.6V 电池