
进口气缸JSC3-LN-TC-125B-300选型资料及其特点:
带制动带锁定气缸
带制动器气缸
型号JSC3/JSC4
在通用型气缸中的中口径(φ40?φ100)系列(SCA2)和大口径(φ125?φ180)系列(SCS2)上附带高可靠性制动器的带制动器气缸。
行业安全
【高可靠性的制动器结构】
采用有丰富业绩支持的中口径、大口径气缸的中间停止机构。
【停止精度:±1.0mm】
停止精度较高,在气缸速度300mm/s、空载时为±1.0mm以下。
JSC3 双作用型 Φ40,Φ50,Φ63,Φ80,Φ1OO 50, 75, 100, 150, 200, 250, 300, 350, 400, 450, 500
JSC4-N 双作用型 Φ125,Φ140,Φ160,Φ180 50, 75, 100, 150, 200, 250, 300
JSC4-LN 双作用型?带开关 Φ125,Φ140,Φ160,Φ180 50, 75, 100, 150, 200, 250, 300
JSC3-V 双作用型带制动用阀 Φ40,Φ50,Φ63,Φ80,Φ1OO 50, 75, 100, 150, 200, 250, 300, 350, 400, 450, 500
JSC3-H 双作用?低油压型 Φ40,Φ50,Φ63,Φ80,Φ1OO 50, 75, 100, 150, 200, 250, 300, 350, 400, 450, 500
JSC4-H 双作用?低油压型 Φ125,Φ140,Φ160,Φ180 接单生产品
JSC4-LH 双作用?低液压型?带开关 Φ125,Φ140,Φ160,Φ180 接单生产品
JSC3-T 双作用?耐热型 Φ40,Φ50,Φ63,Φ80,Φ1OO 50, 75, 100, 150, 200, 250, 300, 350, 400, 450, 500
JSC4-T 双作用?耐热型 Φ125,Φ140,Φ160,Φ180 接单生产品
有关日本CKDJSC3-LN-TC-125B-300微型气缸的更多数据资料参考:
拉杆双作用油缸
在气缸可能受到冲击载荷或冲击载荷的情况下,已经发现拉杆比其他设计更好地保护气缸免受损坏
法兰型
它们是类似于拉杆结构的重型气缸
可根据需要从制造商处订购前法兰、后法兰或前后法兰
一件式焊接
在这种类型中,主体是整体铸造的,或者端部是焊接或卷边的
螺纹端
在这种类型的结构中,两端通过外螺纹或内螺纹拧在管子上。
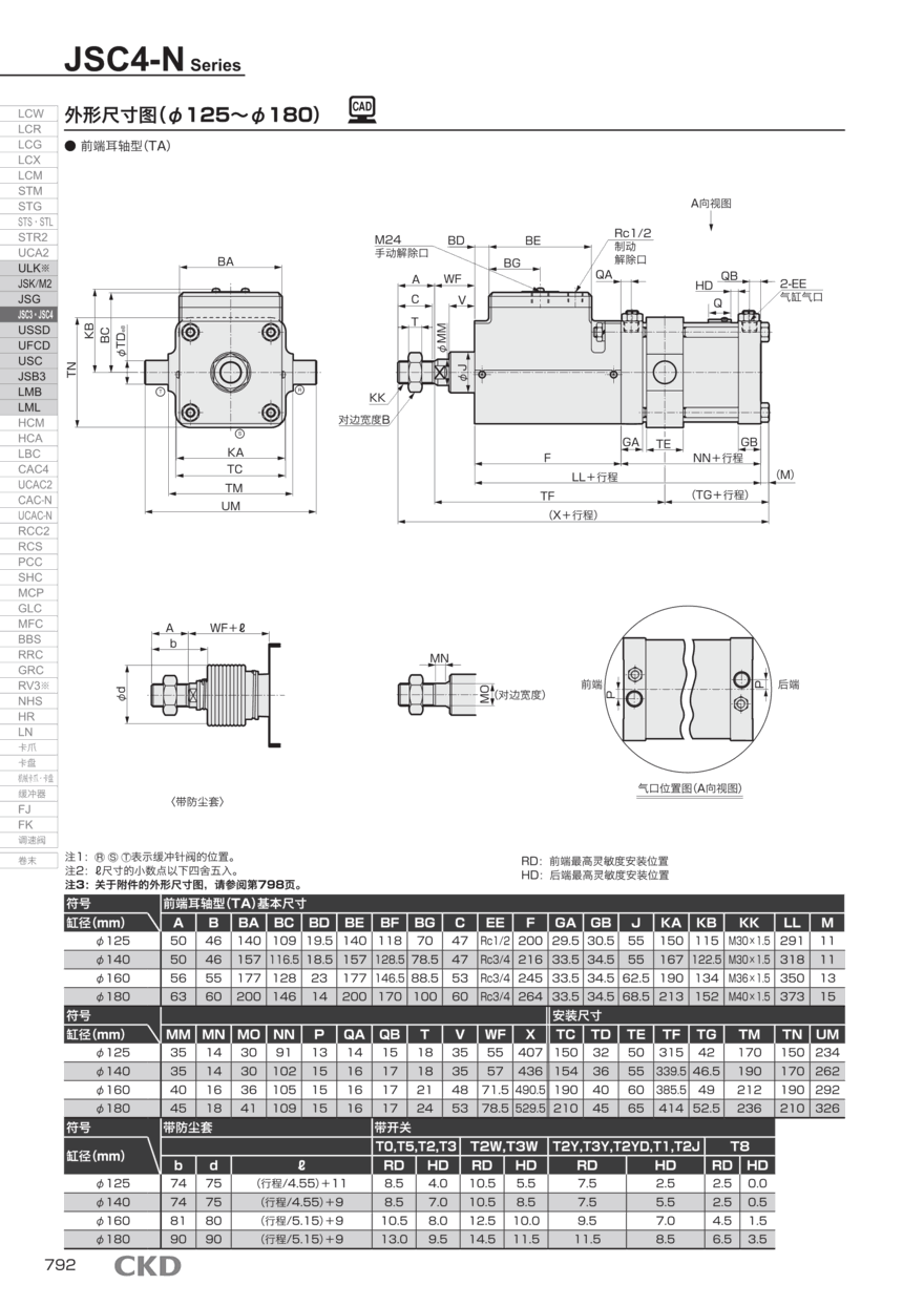
图3显示了挤压本体、3位带制动器气缸的横截面图,其中为了说明的目的,活塞杆被显示为部分延伸。两个圆柱体使用两个内六角螺钉连接。活塞杆“B”延伸穿过前油缸的盖端,并在其延伸时推动活塞“A”。要设置位置 。
带制动器气缸JSC3-LN-TC-125B-300在所需时间内保持准确的压力,以确保的过程控制,从而优化产品的一致性和质量。为了进一步增强控制,提供VTEM 压电式换向阀来同步自动化系统中的大量带制动器气缸,从而提供大的灵活性和产品范围。
CKD自创立以来,作为自动化技术先锋,时刻掌握时代需求,开发研究出各种商品。现在的商品阵容已多达数十万种,活跃于广泛的产业领域。CKD正利用自身的综合技术实力,与客户一起着手于创*商品制造。活用广泛的技术和先端技术,广泛的技术领域以及丰富的商品系列阵容。下图(1-3)是CKD产品JSC3-LN-TC-125B-300的选型资料和配置方式:
机器制造商及其终用户制造商可以使用艾默生的*安沃驰 TM5 TaskMaster 铝制带制动器气缸提高机器速度和可靠性。与 NFPA 兼容的带制动器气缸可降低成本、能耗、设备磨损和停机时间。。
带制动器气缸,也称为带制动器气缸、气动执行器或气动驱动器,是使用压缩空气的能量并将其转化为直线运动的相对简单的机械装置。与液压或电动带制动器气缸相比,气动带制动器气缸重量轻且维护成本低,通常以较低的速度和较小的力运行,但对于许多工业环境中的可靠线性运动而言,它是一种清洁且具有成本效益的选择。
如果确定将使用标准类型的带制动器气缸而不是无杆带制动器气缸或特殊类型,那么在知道带制动器气缸的孔径和行程的情况下,确定安装、杆和螺纹的尺寸,如果缓冲需要(对于高速应用,不用于停止大量负载),停止油管(与液压缸相比没有那么多问题),内置限位开关等。许多变量和特殊功能可以容纳在一个带制动器气缸应用。
更多关于气缸JSC3-LN-TC-125B-300同系列产品的选型型号资料如下:
SCG系列拉杆油缸(SCG-T5H~) SCG-T5H-40
SCG系列拉杆油缸(SCG-CB~) SCG-CB-80B-50-T0H-D-B3
SCG系列拉杆油缸(SCG-FA~) SCG-FA-40B-350-T0H-H
SCG系列拉杆油缸(SCG-G~) SCG-G-FA-50B-550-T0H-D
SCG系列拉杆油缸(SCG-63BK~) SCG-63BK
SCG系列拉杆油缸(SCG-T0H5~) SCG-T0H5-40
SCG系列拉杆油缸(SCG-50DK~) SCG-50DK
SCG系列拉杆油缸(SCG-T0H3~) SCG-T0H3-80
SCG系列拉杆油缸(SCG-D~) SCG-D-TC-50B-100-T2H-D-I
SCG系列拉杆油缸(SCG-FA~) SCG-FA-80B-250-T0H5-D
SCG系列拉杆油缸(SCG-CB~) SCG-CB-80B-200-T2YH-D-YB3
SCG系列拉杆油缸(SCG-T2H3~) SCG-T2H3-100
SCG系列拉杆油缸(SCG-LB~) SCG-LB-50B-350-T0H3-D
SCG系列拉杆油缸(SCG-CB~) SCG-CB-100B-175-YB3
SCG系列拉杆油缸(SCG-FA~) SCG-FA-80B-75-T2YH5-H
SCG系列拉杆油缸(SCG-FA~) SCG-FA-50B-550-T0H-T
SCG系列拉杆油缸(SCG-FA~) SCG-FA-40B-200
SCG系列拉杆油缸(SCG-T2JH~) SCG-T2JH-50
SCG系列拉杆油缸(SCG-T5H5~) SCG-T5H5-63
SCG系列拉杆油缸(SCG-CA~) SCG-CA-32B-150
SCG系列拉杆油缸(SCG-FA~) SCG-FA-40B-250-T2H3-D
SCG系列拉杆油缸(SCG-FA~) SCG-FA-100B-400-T0H-4
SCG系列拉杆油缸(SCG-00~) SCG-00-32B-25-T0H-D
SCG系列拉杆油缸(SCG-FB~) SCG-FB-100B-435
SCG系列拉杆油缸(SCG-G~) SCG-G-TC-80B-300-T0H-D-YB4
SCG系列拉杆油缸(SCG-D~) SCG-D-40DK
SCG系列拉杆油缸(SCG-Q~) SCG-Q-FB-50B-125-R
SCG系列拉杆油缸(SCG-TC~) SCG-TC-80B-300-YB4
SCG系列拉杆油缸(SCG-CB~) SCG-CB-50B-250-T2YH-D-JYB1
SCG系列拉杆油缸(SCG-CB~) SCG-CB-63B-80-YB1
SCG系列拉杆油缸(SCG-TC~) SCG-TC-63B-300-Y
SCG系列拉杆油缸(SCG-CA~) SCG-CA-40B-100-B2
SCG系列拉杆油缸(SCG-TC~) SCG-TC-100B-40-B4
SCG系列拉杆油缸(SCG-FB~) SCG-FB-80B-100
SCG系列拉杆油缸(SCG-LB~) SCG-LB-40B-500-T0H3-D
SCG系列拉杆油缸(SCG-O~) SCG-O-TA-40N-124-T0H-H
SCG系列拉杆油缸(SCG-LB~) SCG-LB-50B-600-T0H-D
SCG系列拉杆油缸(SCG-00~) SCG-00-50D-100-T3H-D
SCG系列拉杆油缸(SCG-T2YH3~) SCG-T2YH3-32
SCG系列拉杆油缸(SCG-FA~) SCG-FA-40B-300-T5H-D
SCG系列拉杆油缸(SCG-CB~) SCG-CB-63B-300-T0H-T
SCG系列拉杆油缸(SCG-M~) SCG-M-LB-40B-450-T0H-D
SCG系列拉杆油缸(SCG-G3~) SCG-G3-LB-40B-600
SCG系列拉杆油缸(SCG-T2H5~) SCG-T2H5-80
SCG系列拉杆油缸(SCG-Q~) SCG-Q-00-32B-100-H-T0H3-4
SCG系列拉杆油缸(SCG-00~) SCG-00-100B-800
SCG系列拉杆油缸(SCG-LB~) SCG-LB-40B-100-T0H-D-I
SCG系列拉杆油缸(SCG-CB~) SCG-CB-63B-400-T0H-D-YB3
SCG系列拉杆油缸(SCG-FA~) SCG-FA-80B-120
SCG系列拉杆油缸(SCG-LB~) SCG-LB-32B-400-T0H5-D
SCG系列拉杆油缸(SCG-LB~) SCG-LB-32B-200-I
SCG系列拉杆油缸(SCG-G~) SCG-G-32BK
SCG系列拉杆油缸(SCG-CB~) SCG-CB-40B-200-T2H3-D-YB1
SCG系列拉杆油缸(SCG-LB~) SCG-LB-50B-250-T0H-D
SCG系列拉杆油缸(SCG-FA~) SCG-FA-80D-300
SCG系列拉杆油缸(SCG-TC~) SCG-TC-50B-150-T0H3-R-YB4
SCG系列拉杆油缸(SCG-FA~) SCG-FA-80B-250-T2H3-D-J
