TRD-PYK 型压力控制器
使用说明书
该仪表采用波纹管或活塞作感压元件,外型新颖小巧,适合控制
柜的密集安装要求,广泛应用于冶金、电力、船舶、机械润滑等行业的气、液压设备上,进行压力监控、报警,实现二位自动控制。
主要技术性能
介质粘度:≤1*10-3 m2/s
外壳防护等级:IP44;
环境温度:-10~40℃;
介质温度:-10~80℃;
抗振性能:max 4g;
重复性:±1.6%FS;
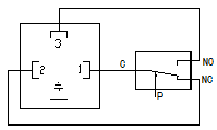
电气参数:AC220V 3A 100VA DC220V 3A 10W,开关接点形式见图1;
电气引线接口:赫斯曼式插头;
与介质接触材料:黄铜、碳钢;
压力连接接口:Ф6、Ф8扩口管(或按用户要求)。
型号编写
图1
技术参数
压力控制器参数 MPa
量 程 代 号 |
量 程 |
切 换 差 |
极 限 压 力 |
传感器及材料 |
0.25 | 0.025~0.25 | 0.02~0.025 | 1.6 |
黄铜接头 不锈钢波纹管 锡钎焊材料 |
0.4 | 0.04~0.4 | 0.03~0.04 | 2.5 | |
0.6 | 0.06~0.6 | 0.03~0.04 | 2.5 | |
1.0 | 0.1~1.0 | 0.04~0.05 | 2.5 | |
1.6 | 0.2~1.6 | 0.06~0.08 | 4.0 | |
2.5 | 0.4~2.5 | 0.08~0.20 | 4.0 | |
4 | 0.4-4 | 0.10~0.25 | 6.0 | |
6 | 0.6-6 | 0.2~0.4 | 7.0 | |
10 | 1~10 | 0.5~1.5 | 40 |
青铜接头 碳钢活塞 丁晴橡胶O型密封圈 |
16 | 1.6~16 | 0.8~2.0 | 40 | |
25 | 2.5~25 | 1.0~3.0 | 60 | |
40 | 4.0~40 | 1.0~4.5 | 60 |
调整方法
仪表带有调节机构,现场调节方便,需要jing确控制时,可用压力校验器调校。
例:某润滑设备过滤器工作压力为0.4MPa,当过滤器两端差压过0.1MPa时发出报警信号。可选用一台PCK0.16型差压控制器,将上切换值设定为0.1MPa,常开触点接继电器控制回路,高、低压接口分别与过滤器进、出端相接。具体调整方法如下:
1 将控制器压力输入接口与压力校验器相接,在接插件上接万用表或其它指示装置。
2 先将高压端(+标记)压力上升到0.4MPa,然后将低压端(-标记)压力上升到0.4MPa,也可同时进行。
3 将高压端压力上升并旋转调节螺杆使开关触点在差压值达到0.1MPa时动作。
4 将高压端压力下降,使差压值降到约0.08MPa时开关触点复位。
5 反复上述操作,直至该点符合要求为止。
选用及安装
1 设定值总线好位于调节范围的20%~80%。
2 介质温度过高,可在压力接口前加螺旋冷却管(定货时须注明,我厂可配套供应)。
3 当介质粘度较大时须加隔离器(定货时须注明,我厂可配套供应)。
4 高低压接口不得接反,否则会损坏控制器。
5 仪表安装方便,墙装,管装都能正常工作。
外形及安装尺寸




