橡胶以其优良的使用性能,灵活的生产方法,越来越多地替代金属、木材,成为现代国民经济与科技领域不可缺少的高分子材料;但橡胶在生产过程中由于使用炭黑、填料(如白炭黑、碳酸钙、陶土等)做补强填充剂,在打磨过程中产生工艺废气,极小的微尘扩散到空气中,在满足一定条件下还会产生爆炸危及人身安全;所以非常有必要对橡胶厂生产过程中的粉尘进行分析,提出橡胶粉尘的治理办法及通风除尘设备的改造措施。
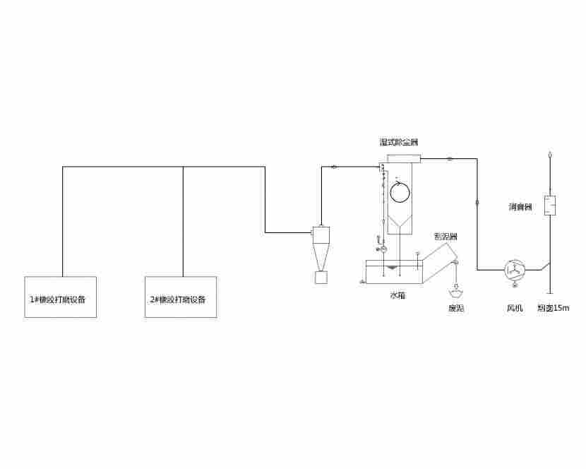
不同型号的打磨机需要配备的科朗兹吸风罩,合理的设计可以有效保证吸风效果,使得95%以上的粉尘可以有效收集,含尘气体通过管道被输送到旋风除尘器,较大颗粒的粉尘经过旋风除尘器可以有效的起到初级过滤的效果,余下的含尘气体在经过文丘里湿式除尘器与水充分接触,通过特有的文丘里结构充分和水接触吸收、去除其中大部分颗粒污染物及部分异味。
科朗兹文丘里湿式除尘器处理后效果:
1-橡胶打磨车间环境整体得到了改善,集气罩有效的收集了粉尘,粉尘不会在车间集聚形成粉尘云,粉尘无法达到到爆炸浓度下限,科朗兹湿式除尘器自身特有的防爆性能有效的保证了车间和人员的安全;
2-文丘里湿式除尘器过滤效率可以达到95%以上,通过其高效的过滤效率,特有的结构减少了粉尘在除尘器内部的堆积,同时合理的系统计算保证管道内部不会有粉尘堆积,有效的保证整个除尘系统的抽吸效果。