介绍:
宇通仪表在工业过程信号处理领域历经30年历史,是仪器仪表行业协会理事单位,并主持起草了隔离器、温度变送器,安全栅等*标准。数百万台产品生产积累的工艺及技术在工业过程信号处理领域得到普遍应用和认可。在澳大利亚建立的产品研发基地正致力于出产功耗更低、体积更小、安全性更强、性能更稳定的工业过程信号处理仪表。产品广泛用于工业自控系统中各种信号的隔离、配电、转换、分配、报警设定等功能要求;在电力、化工、石化、建材、冶金、造纸、制药、环保、机械制造等行业,都获得了广泛应用。
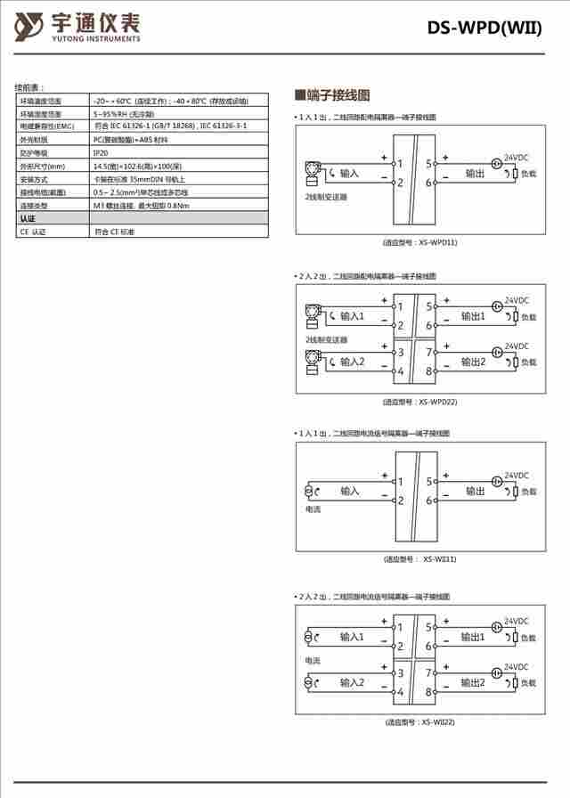
产品介绍:
XS系列产品是我公司开发的适合于非防爆领域应用,用于连接工业现场仪表与控制室之间的电气接口设备。它通过电源-输入 - 输出之间的可靠隔离,有效解决工业自动化控制系统现场干扰问题,保证系统的稳定性和可靠运行。XS 系列产品具备多种类型规格可供选择,基本满足自控系统中各种信号的隔离、配电、转换、分配、报警设定等功能要求。
主要特性:
◆XS-WPD 二线回路配电隔离器或 XS-WII电流输入隔离器是四线制同类仪表的补充产品,特点是供电电源线和输出电流信号线只有二根,两者之间为串联关系,信号电流等于电源电流,因此结构简单,省去 2 个接线端子及其接线。在使用量较小,而且负载不大的场合,为可行选择。
◆4~20mA 输入,4~20mA 输出。无需额外供电电源的信号隔离器。
◆输出回路供电,*仅 2.5V 的电压降。
◆低功耗隔离技术,输入--输出之间隔离。
◆高精度、低温漂、模块化高密度电路设计。
◆小型插装式结构,通用底座型端子,接线标准化,安装方便,维护方便。
◆ 系列产品通过CE。
二线回路电流信号隔离器 | XS-WII 11-AA | 1入1出 | 1、直流信号隔离 2、输出回路供电 | 4~20mA | 4~20mA |
XS-WII 22-AA | 2入2出 |
名称 | 型号 | 通道 | 说明 | 输入信号 | 输出信号 |
无源隔离器 | XS-WY11-AA | 1入1出 | 1、不需要额外供电 2、DIN标准导轨安装 | 4~20mA | 4~20mA |
XS-WY22-AA | 2入2出 | ||||
二线回路电流信号隔离器 | XS-WII 11-AA | 1入1出 | 1、直流信号隔离 2、输出回路供电 | 4~20mA | 4~20mA |
XS-WII 22-AA | 2入2出 | ||||
二线回路配电隔离器 | XS-WPD11-AA | 1入1出 | 1、输入信号配电 2、输出回路供电 | 4~20mA | 4~20mA |
XS-WPD22-AA | 2入2出 | ||||
通用信号输入隔离器 | XS-TP11 | 1入1出 | 1、通用信号输入隔离 2、HART通过(单路) 3、独立供电 | 1、Pt100 热电阻 2、 K,E,S等热电偶 3、毫伏(*0~100mV) 4、变送器(配电), 4~20mA 5、直流4~20mA 或 0~20mA | 4~20mA、0~20mA、或其它特殊 |
XS-TP12 | 1入2出 | ||||
配电或电流输入隔离器 | XS-PI 11 | 1入1出 | 5、 配电或电流输入 6、 单通道或双通道 7、 独立供电 8、 电源端子或导轨 | 配电或电流输入隔离器 | 4~20mA;0~20mA其它特殊(如: 1~5V、0~10V 等) |
XS-PI 12 | 1入2出 | ||||
XS-PD 22 | 2入2出 | 双通道,配电输入隔离器 | |||
XS-II 22 | 2入2出 | 双通道,电流输入隔离器 | |||
热电阻或热电偶输入隔离器 | XS-ZT11 | 1入1出 | 1、 热电阻隔离变送 2、 热电偶隔离变送 3、 独立供电 | 1、Pt100 热电阻 2、 K,E,S等热电偶 | 4~20mA、0~20mA、其它特殊 |
XS-ZT12 | 1入2出 | ||||
开关量输入隔离器 | XS-DI11 | 1入1出 | 1、开关、接近开关 2、线路故障检测功 3、独立供电 | 触点开关 、接近开关 、OC 、电平 | 继电器触点、OC 信号、电平信号输出 |
XS-DI12 | 1入2出 | ||||
XS-DI22 | 2入2出 | ||||
通信隔离器 | XS-RS485 | 1入1出 | 1、RS485 信号转换为隔离的 RS485 信号2、独立供电 | RS485 信号;RS232 信号 | RS485 数字信号 |
直流信号隔离器 | XS-TESU11 | 1入1出 | 1、二线制温度变送器,可编程设定 | Pt100,Cu50等 热电偶/阻K,E,S,B,R,T,N,J | 4~20mA |
XS-TESU12 | 2入2出 | ||||
变送器电流输入二线制隔离配电器 | TM 6711 | 1入1出 | 1、二线制隔离配电器(变送器电流输入) 2、回路供电 | 4~20mA | 4~20mA |
TM 6712 | 2入2出 | ||||
XS-WY 无源隔离器 | XS-WY11-AA | 1入1出 | 1、不需要额外供电 2、DIN标准导轨安装 | 4~20mA | 4~20mA |
XS-WY22-AA | 2入2出 | ||||
二线回路电流信号隔离器 | XS-WII 11-AA | 1入1出 | 1、直流信号隔离 2、输出回路供电 | 4~20mA | 4~20mA |
XS-WII 22-AA | 2入2出 |

