工业用TDJ指示温度调节器,日本JUST玉崎疯狂打CALL
工业用TDJ指示温度调节器,日本JUST玉崎疯狂打CALL
工业用TDJ指示温度调节器,日本JUST玉崎疯狂打CALL

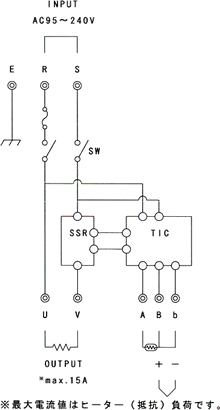
TDJR(フリーセンサー)
センサーを選ばないマルチ入力(リレー出力)の温度コントローラーです。
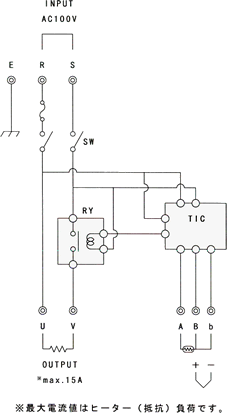
TDJS(フリー電源・フリーセンサー)
電源は95V~240Vを任意にご利用いただけます。入力はもちろんマルチ入力(温度指示計の設定が必要です)SSR方式のため、より高精度の温度コントロールが可能です。

TDJR
| 電源 | AC100V | ![]() |
| 入力 | K熱電対・測温抵抗体 | |
| 温度制御方式 | ON-OFF制御(リレー接点) | |
| 温度調節精度 | ±0.3%FS±1digit | |
| 接続容量 | 抵抗負荷 MAX15A | |
| 本体寸法 | 135×145×95mm | |
| 付属品 | ・アース線 ・電源コード(2m) |
| 型式 | 設定範囲(℃) |
| TDJR | K熱電対 0~999 Pt100Ω -19.9~99.9 |
TDJS
| 電源 | AC95~240V | ![]() |
| 入力 | K熱電対・測温抵抗体 | |
| 温度制御方式 | PIDオートチューニング(SSR方式) | |
| 温度調節精度 | ±0.3%FS±1digit | |
| 接続容量 | 抵抗負荷 MAX15A | |
| 本体寸法 | 135×145×95mm | |
| 付属品 | ・アース線 ・電源コード(2m) 100・200V用2本 |
| 型式 | 設定範囲(℃) |
| TDJS | K熱電対 0~999 Pt100Ω -19.9~99.9 |

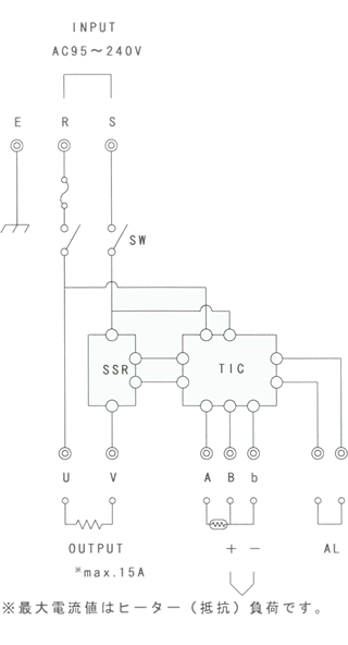
| 電源 | AC95~240V | ![]() |
| 入力 | K熱電対・測温抵抗体 | |
| 温度制御方式 | PIDオートチューニング(SSR方式) | |
| 温度調節制度 | ±0.3%FS±1digit | |
| 接続容量 | 抵抗負荷 MAX15A | |
| 本体寸法 | 137×145×105mm | |
| 警報出力 | リレー出力 250V 2.4A (抵抗負荷) | |
| 付属品 | ・アース線 ・電源コード(2m) 100・200V用2本 |
| 型式 | 設定範囲(℃) |
| TDJSA | K熱電対 0~999 Pt100Ω -19.9~99.9 |
深圳市京都玉崎电子有限公司营业部
销售担当:周先生
电话: QQ:2853007792 邮箱:zl@ktts.net
代理
光源部:EYE岩崎、SEN日森、USHIO牛尾、REVOX莱宝克斯、CCS希希爱视、SERIC索莱克、TOPCON拓普康、NDK电色、ORIHARA折原、LUCEO鲁机欧、FUNATECH船越龙、SAKAZUME坂诘电子、HIKARIYA光屋、KKIMAC、DNP大日本科研
计测部:NEWKON新光、SANKO三高、SAKAGUCHI坂口电热、OKANO冈野、ONOSOKKI小野、TOKYO DENSHOKU东京电色、NDK日本电色、MITUTOYO三丰、PEACOCK孔雀、KYOWA共和
科仪部:EYELA东京理化、DRY-CABI德瑞卡比、T&D天特、ASKER高分子计器、KUSANO草野科学、IMV艾目微,AND爱安得、OBISHI大菱、TAKASAGO高砂、ASONE亚速旺、ELMEX安科生物、SAKURAI樱井、NS日本精密科学、SONIC索尼克、SIBATA柴田、SANSYO三商、HEIDON新东