AVENTICS安沃驰齿杆驱动装置使用说明
联系人:杨琳
企业QQ:2880626084
电话:-8005
传真:-8007
手机:(微信)
邮箱:@.163.com
技术说明
旋转角度,大 90, 180, 360 °
Ø 32-100 mm
带磁性活塞
带齿条的双活塞
缓冲 气动, 可调节的
工作压力范围 2 ... 10 bar
环境温度范围 -20 ... 80 °C
介质温度范围 -20 ... 80 °C
介质 压缩空气
外壳 铝材
盖板 铝材-压铸件
密封 聚氨酯
轴 钢
颗粒大小 max. 5 µm
压缩空气中的含油量 0 ... 1 mg/m³
缓冲 气动, 可调节的
理论力矩 6.3 bar
行程/10°转动的角度 5,2 mm 2 mm 3,5 mm 3,9 mm
理论力矩 111 Nm 5 Nm 7 Nm 14 Nm 29 Nm 54 Nm
缓冲角度 45 ° 61 ° 69 ° 65 ° 49 ° 56 °
型号列表
5791505270
5791505280
5791505680
5791510210
5791510220
5791510620
5791515220
5791515270
5791515280
5791515680
5791520210
5791520220
5791520620
5791525220
5791525270
5791525280
5791525680
5791570210
5791570220
5791570620
5791575220
5791575270

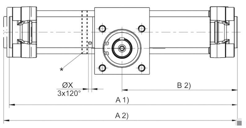
| * 通过扭转“设置环”来设置旋转角。 在此过程中,必须松开拉紧螺杆柱上的轴颈螺母,并且在设置完成之后,重新以规定扭矩Ma拧紧轴颈螺母。零始位置:棱键朝上(当活塞向右冲击时) | |
| 拧紧扭矩TRR-50、TRR-63: 9-10 Nm拧紧扭矩TRR-80、TRR-100: 18-20 Nm | |
| 1) 小值 | |
| 2) 大值. |
AVENTICS安沃驰齿杆驱动装置使用说明