日本SMC 2位5通双气控小阀VFA3230-01

字段描述 字段取值 取值描述
相关型号展示
系列 3 VFA3000
机能 2 2位双气控
主体型式 3 VFA3000
A·B通口接管口径 01 1/8
螺纹的种类(包含先导口) - Rc
托架 - 无托架
先导口的方向 - 向上
共同规格
使用压力
范围MPa
环境及流体温度℃
给油
安装姿势
耐冲击/耐振动 m/s2
2位单气控
2位双气控
3位
2位单气控
2位单气控未冻结)
不需要
自由
300/50
P: 使用压力
底板配管型
直接配管型
系 列
有效截面积(直接配管型)
mm
2位单气控
2位双气控
3位中封式
3位中泄式
3位中压式
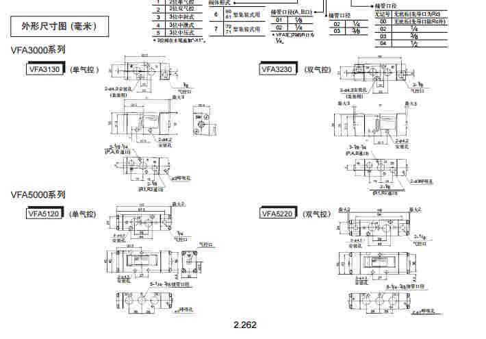
VFA3000
[直接配管型、单气控、带托架]
[直接配管型、30型集装式用]
机能
1 2位单气控
2位双气控
3位中封式
3位中泄式
3位中压式
螺纹种类(含先导口)
3位中泄式
3位中压式
图形符号
*集装板规格及尺寸与VF 000 3
5 系列相同。
外形尺寸图 (毫米 )
型号表示方法
[底板配管型、40型集装式用]
[直接配管型]
[底板配管型]
[50型集装式用]
[60、61、70、71型集装式用]
接管口径(P、A、B口)
*R1、R2口为1 8。
托架
无底板
(先导口为Rc)
无底板
(先导口除Rc外)
04
无底板(先导口为Rc)
*含先导口螺纹。
*3位阀在末尾追加“-X1”。
02
03 *VFA3□70的R口为
.1 4。
型集装式用 60
61
型集装式用 70
71
(集装用)
1/8 .
(集装用)
外形尺寸图

日本SMC 2位5通双气控小阀VFA3230-01