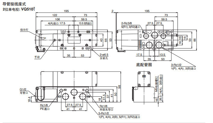
5通先导式电磁阀插入式底板配管型单体式VQ5201-5日本SMC

3位双重检查(VZS5600
510),
检查管道和配件的泄漏
阀门和气缸之间通过合成
洗涤剂解决方案,并确保没有
在那里发现这种泄漏。 同时检查泄漏
来自气缸密封和活塞密封。 如果有的话
泄漏,有时是气缸,当阀门
去激励,可以移动而不停止在
中间位置。
请谨慎使用,因为双重节流
检查隔垫排气是否会造成损失
中间停止精度和故障。
与3档VQ53组合
5 ::不是
可能。
s设定气缸负载,使气缸压力
将在供应的两倍以内
PRESSUR
当与双重检查隔离器结合使用时
内置双止回阀,不受空气影响
滑阀之间的泄漏,使它
可以将一个圆筒保持在中间位置
长时间停止位置。
此外,2位置型(VQ51
2
::)和一个双重检查间隔可用于
防止跌落。如果阀门将持续通电延长
一段时间内,阀门的温度将会上升
到线圈产生的热量。这可能会造成不利影响
影响电磁阀和任何附近的性能
外围设备。因此,当它是连续的
长时间通电或当通电
每天通电时间比断电时间长
期间,使用SY系列直流规格或省电
电路类型。作为上面没有提到的阀门也可以
根据操作条件使用(特别是,
DC规格阀),请联系SMC以获取更多信息
信息。另外,与N.O.一起使用阀门。
(常开)规格可缩短
通电时间。
•适用于在控制器上安装阀门等应用
面板,纳入措施,以限制热辐射
它在工作温度范围内。不要触摸
在通电期间或通电后,通过裸手操作阀门。例如,
当3站歧管时温度会很高
或更大的是放在旁边的其他阀门并持续通电
或者A上的长时间连续通电
和B侧(同时)的SY,SJ,SZ,SV,VQ,SQ
系列双3口阀。
5通先导式电磁阀插入式底板配管型单体式VQ5201-5日本SMC