IFM电感式高温温度传感器技术数据

实物图样:

性能:
可用于高达 180 °C 的高温
用于钢铁和玻璃行业的应用
传感器和评估单元在同一外壳中
坚固的不锈钢外壳,适用于严苛的工业环境
长的硅电缆终端,可位于关键区域之外
| 输出 | |
|---|---|
| 输出功能 | 常开 |
| 开关量输出DC电压降大值 [V] | 2 |
| 开关量输出DC的持续电流负载 [mA] | 150 |
| 开关频率DC [Hz] | 200 |
| 电气设计 | PNP |
| 短路保护 | 是 |
| 短路保护类型 | 脉冲 |
| 过载保护 | 是 |
| 监控范围 | |
| 感应距离 [mm] | 10 |
| 工作距离 [mm] | 0...8.1 |
应用:
应用 高温度应用
电气数据:
工作电压 [V] 10...35 DC
电流损耗 [mA] < 15
防护等级 III
反相保护 是
输出:
输出功能 常开
开关量输出DC电压降大值 [V] 2
开关量输出DC的持续电流负载 [mA] 150
开关频率DC [Hz] 200
电气设计 PNP
短路保护 是
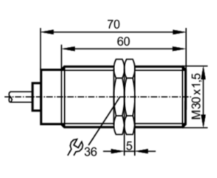
尺寸图:

/测试:
EMC电磁兼容
EN 61000-4-2 ESD 2 kV CD / 4 kV AD
EN 61000-4-3 HF电磁场辐射 3 V/m
EN 61000-4-4 Burst 2 kV
EN 61000-4-6 射频场感应的传导抗扰度 3 V
机械技术数据:
重量 [g] 354.2
外壳 螺纹结构
安装 齐平安装
尺寸 [mm] M30 x 1.5 / L = 70
螺纹代号 M30 x 1.5
原材料 外壳: 特种钢; 感应面: LCP
IFM电感式高温温度传感器技术数据