联系人:欧阳小姐
TEL:
QQ:2486069078
クリーンエイジをリードする。 ~TO LEAD THE CLEAN AGE .~
メイトウフィーダーは永年の経験により、工場廃水、上下水道、汚水処理、レジャー産業、化学�9�9染色�9�9製紙の各工場又、食品や医薬品工場など、その他の水処理、又は製造プロセスにおける薬液定量注入ポンプとして、多様性�9�9安全性及び経済性を重視した、遊星ギア駆動を採用したダイヤフラム式ポンプです。この機会に私共の優れた定量ポンプをご採用くださいます様、御願い申し上げます。
主な用途
|
ポンプヘッド |
PVC、MMA、SUS、テフロン、PP |
|
コネクター |
PVC、SUS、テフロン、PP |
|
ダイヤフラム |
テフロン |
|
チャッキボール |
テフロン、SUS、ハステロイC、セラミック |
|
Oリング |
バイトン、NBR、テフロン |
· ※その他の材質については、お問い合わせください。
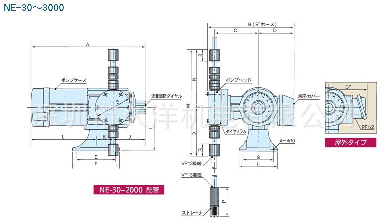
仕様
|
型式 |
モーター |
圧力 |
吐出量(mL/min) |
ポンプ接続 |
重量 |
|||
|
50Hz |
60Hz |
塩ビ�9�9アクリル |
ステンレス |
テフロン |
||||
|
NE-30 |
100V単相 |
1.0 |
3~30 |
4~36 |
ホースØ6ר11 |
配管 |
テフロンホース |
10 |
|
NE-50 |
1.0 |
5~50 |
6~60 |
10 |
||||
|
NE-100 |
1.0 |
10~100 |
12~120 |
10 |
||||
|
NE-200 |
1.0 |
20~200 |
24~240 |
10 |
||||
|
NE-250 |
0.7 |
25~250 |
30~300 |
10.5 |
||||
|
NE-500 |
0.7 |
50~500 |
60~600 |
10.5 |
||||
|
NE-1000 |
0.5 |
100~1000 |
120~1200 |
ホースØ10ר16 |
11 |
|||
|
NE-2000 |
0.5 |
200~2000 |
240~2400 |
11 |
||||
|
NE-3000 |
0.3 |
300~3000 |
360~3600 |
配管 |
配管 |
配管 |
15 |
|
· ※テフロンホースの場合は(0.2MPa)以下でご使用下さい。

