倍加福P+F开关放大器KFA6-SR2-Ex2.W
德国P+F公司(PEPPERL+FUCHS),中文名为
倍加福是全球也是大的传感器公司,创建于1945年,于1958年向世界推出具有革命意义的代电感式传感器,应用于化工石油行业。经近60年的不断发展和努力,P+F至今已发展成为具有3000多名员工,对从电感式传感器到超声波传感器,从光电式传感器到旋转编码器,从识别系统到现场总线系统,从液位、料位传感器到安全光幕,从防爆传感器到安全栅、隔离栅等各类传感器都有特别的研究和产品提供的全球传感器供应商。P+F每天向世界各地用户发运几万件产品,任何行业都在应用P+F的传感器,放大器等产品
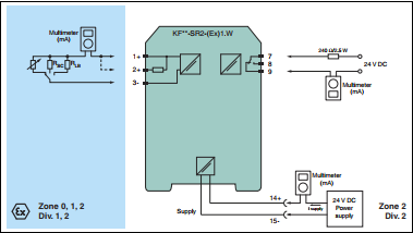
双通道隔离屏障
230 V交流电源
干接点或NAMUR输入
继电器触点输出
线路故障检测(LFD)
可逆的操作模式
高达SIL 2 acc。符合IEC 61508 / IEC 61511

参数表节选:的技术参数KFA6-SR2-Ex2.W
一般规格
信号类型
数字输入
功能安全相关的参数
安全完整性等级(SIL)
SIL 2
供应
连接
终端14,15
额定电压
207 ... 253 V AC,45 ... 65 Hz
功耗
1.2瓦
能量消耗
大。1.3瓦
输入
连接端
场边
连接
终端1+,2+,3-; 4+,5+,6-
额定值
ACC。符合EN 60947-5-6(NAMUR)
开路电压/短路电流
约。8 V DC / 8毫安
切换点/切换滞后
1.2 ... 2.1 mA / 0.2毫安
线路故障检测
断路I≤0.1 mA,短路I> 6 mA
脉冲/暂停比率
分钟。20毫秒/分钟。20毫秒
产量
连接端
控制端
连接
输出I:端子7,8,9; 输出II:端子10,11,12
输出I,II
信号; 中继
联系人加载
253 V AC / 2 A / cosφ> 0.7; 126.5 V AC / 4 A / cosφ> 0.7; 40 V DC / 2 A电阻负载
通电/断电延时
约。20毫秒/ 20毫秒
机械寿命
10 7个开关周期
传输特性
开关频率
≤10 Hz
指标/设置
显示元素
发光二极管
标签
在前面贴上标签的空间
指令符合性
电磁兼容
指令2014/30 / EU
EN 61326-1:2013(工业地点)
低电压
指令2014/35 / EU
EN 61010-1:2010
一致性
电磁兼容
NE 21:2006
防护等级
IEC 60529:2001
环境条件
环境温度
-20 ... 60°C(-4 ... 140°F)
机械规格
防护等级
IP20
连接
螺丝端子
块
约。150克
外形尺寸
20 x 119 x 115毫米(0.8 x 4.7 x 4.5英寸),外壳类型B2
安装
在35 mm DIN安装导轨上。根据EN 60715:2001
应用于危险区域的数据
欧盟型检测证书
PTB 00 ATEX 2081
印记
防爆六角II(1)G [Ex ia Ga] IIC
防爆六角II(1)D [Ex ia Da] IIIC
防爆六角I(M1)[Ex ia Ma] I
指令符合性
指令2014/34 / EU
EN 60079-0:2012 + A11:2013,EN 60079-11:2012