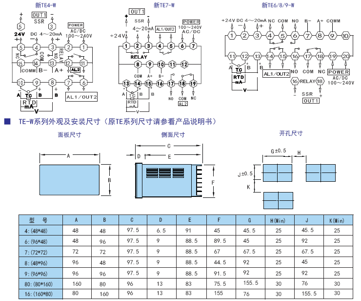
智能温控仪

发布时间:2016-07-20

操作简单,经济实用
热电偶/热电阻通用输入
带智能PID控制,并具有自整定功能
RELAY/SSR/SCR等多种控制输出选择
多种系列外形尺寸选择
新版本升级为4位显示,显示分辨率提高
成熟的PID算法及硬件设计,可靠性高


        

上一篇:凯特电气实验室(日本KETT) ...
下一篇:液晶电能表