销售日本SMC3通气控阀VSA3145-06-X59

原理介绍:
日本SMC3通气控阀的混合出水口处,装有一个热敏元件,
如何变化,进入出水口的冷、热水比例也随之变化,从而
使出水温度始终保持恒定,调温旋钮可在产品规定温度范
利用感温原件的特性推动阀体内阀芯移动,封堵或者开启
冷、热水的进水口。在封堵冷水的同时开启热水,当温度
调节旋钮设定某一温度后,不论冷、热水进水温度、压力
围内任意设定,恒温混水阀将自动维持出水温度。
实物图:

分类:
气动控制阀是指在气动系统中控制气流的压力、流量和流
动方向,并保证气动执行元件或机构正常工作的各类气动
元件。控制和调节压缩空气压力的元件称为压力控制阀。
的射流元件和有可动部件的气动逻辑元件。在结构原理上,
逻辑元件基本上和方向控制阀相同,仅仅是体积和通径较
小,一般用来实现信号的逻辑运算功能。随着气动元件的
控制和调节压缩空气流量的元件称为流量控制阀。改变和
控制气流流动方向的元件称为方向控制阀。快易优自动化
可分为断续控制和连续控制两类。在断续控制系统中,通
常要用压力控制阀、流量控制阀和方向控制阀来实现程序
动作;连续控制系统中,除了要用压力、流量控制阀外,还
选型有收录SMC各类产品, 除上述三类控制阀外,还有能
实现一定逻辑功能的逻辑元件,包括元件内部无可动部件
小型化以及PLC控制在气动系统中的大量应用,气动逻辑元
件的应用范围正在逐渐减小。从控制方式来分,气动控制
要采用伺服、比例控制阀等,以便对系统进行连续控制。
应用:
日本SMC3通气控阀是热暖系统的配套产品,广泛应用于电
保证出水温度恒定,且不受水温、流量、水压变化的影响,
解决洗浴中心水温忽冷忽热的问题,当冷水中断时,混水
热水器,太阳能热水器及集中供热水系统。并可配套应用
于电热水器和太阳能热水器,用户可以根据需要自行调节
冷热水混水温度,所需温度可以迅速达到并且稳定下来,
阀可以在几秒钟之内自动关闭热水,起到安全保护作用。
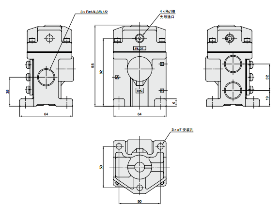
尺寸图:

型号:
VV5Q11-06C4L0NS
VV5Q11-06C6F1
VV5Q11-06C6-FU0
VV5Q11-06C6FU1N
VV5Q1106C6FU2DJ
VV5Q11-06C6FUO
VV5Q11-06C6FUOD
VV5Q1106C6PU0NS
VV5Q1106C6PU2DN
VV5Q1106C6PU3DN
VV5Q11-06CMFU0
VV5Q11-07C6FU1
VV5Q11-07C6PU1
VV5Q1109M5FU0JI
VV5Q11-10C4F2-B
VV5Q11-10C4FU1N
VV5Q11-10C4FU1S
VV5Q11-10C4FUO
VV5Q11-10C6FU0N
VV5Q11-12CMFU2
VV5Q1112LMSR1DK
VV5Q1113C4F0B12
VV5Q1113C4FS0B1
VV5Q11-13C4FU0
VV5Q1113C4FU0B1
VV5Q1113C6FU2KS
VV5Q11-13C6FU2S
VV5Q11-13-X12
VV5Q11-14C4FU0K
VV5Q1114C4FU2KS
VV5Q1115CMFU0KS
VV5Q11-16C4FU0K
VV5Q11-10C6FU2
VV5Q1110C6FU3JP
VV5Q11-10C6FUO
VV5Q1110C6PU2DN
VV5Q11-10C6PU3
VV5Q1110C6PU3DN
VV5Q11-10C6SVKN
VV5Q11-10CMF01S
VV5Q1110CMFU1DS
VV5Q11-10CMFU1S
VV5Q11-07C6SO-S
VV5Q1108C3PU1NS
VV5Q11-08C4FU0
VV5Q11-08C4FU0D
VV5Q1108C4FUONS
VV5Q1108C4P2BDK
VV5Q1108C4PU3DN
VV5Q11-08C6F0
VV5Q11-08C6F2-B
销售日本SMC3通气控阀VSA3145-06-X59