新德亚精密仪器为广大客户提供高品质微分头测微头

发布时间:2018-01-23

产品参数:

:新德亚
类型:微分头、测微头、、螺旋测微器、千分尺头、分厘卡头  
测量范围:0-6.5mm 、0-13mm 、0-15mm、0-25 mm、0-50mm    
产品型号:S65-1P、S65-1Q、S65D-1P、S65D-1Q、S130-1P、S130-1Q、S130D-1P、S130D-1Q、S250-1P、S250-1Q、S250D-1P、S250D-1Q、S500-1P、S500-1Q、S500D-1P、S500D-1Q(发黑外常规9.5mm外径)
产品规格:0-6.5mm平头、0-6.5mm圆头、0-6.5mm平头带螺母、0-6.5mm圆头带螺母、0-13mm平头、0-13mm圆头、0-13mm平头带螺母、0-13mm圆头带螺母、0-25mm平头、0-25mm圆头、0-25mm平头带螺母、0-25mm圆头带螺母、0-50mm平头、0-50mm圆头、0-50mm平头带螺母、0-50mm圆头带螺母

本公司生产之“新德亚”牌微分头,具有精度高,耐用,手感好,剥离强度高等特点!

也可承接各种特殊规格定制!

微分头是千分尺的心脏部分,是精度读数的主杆,小可调节微米的一个调节装置。
主要应用领域:
1.DVDMDCD相关光碟读取透镜及可写光学头的生产和检测设备。(主要是弧形定位平台);

2.液晶投影机棱镜定位和装片。
3.光纤定位,光通讯系统产品及检测设备。
4.液晶生产和检测设备。
5.半导体关联生产设备及检验评价设备。
另外也广泛用于机床、固定装置、特殊量具、工具和其他设备上可调控部位需要有千分mm精度的地方
棘轮测力装置可保持恒定测力

选购注意:

1、外形尺寸……工件是否放得下微分头?另外,微分筒的大小会影响微分头的读数及定位精度,直径越大,读数、定位精度越高,反之则越快;

2、安装/配合处尺寸:

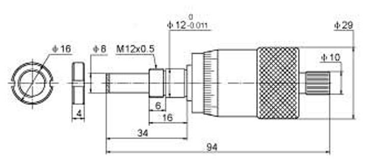
下图为大29mm外直径0-25mm平头0004-000之技术示意图)

 

必须确认安装孔位尺寸,如果是螺母安装,须注意螺牙大小!

下图为大29mm外直径0-25mm平头/带螺母0004-350之技术示意图长115

 

3、微分头行程:我们可提供0-5mm、0-6.5mm、0-13mm、0-15mm、0-25mm、0-50mm、0-100mm等多种规格可供选择。

4、分辨率及精度:所有型号低精度可保证在0.003mm以上(特殊要求除外)

分辨率通常是0.01mm、也有0.005mm、0.002及0.001mm、差动微分头高可达0.0002mm

5、是否需要带丝杆制动装置……在带振动使用环境中可保证微分头芯轴在停止状态,如需带制动(防止震动产生跳数),有钢圈中径止动(美观型),比较实用的有内六角螺丝扭紧型、以及外螺钉扭紧型……

 

 

 

 

6、读数方式……正常、逆向还是双向读数(上图右)

7、是否带安装螺母……带安装螺母的便于固定,普通型安装时需要使用弹簧卡头或粘接固定

     

8、测头为平面还是球面、测量面带硬质合金(不包括球面测头)……球面型微分头可降低由于相接触两面的不平行所带来的进给误差

     

   

9、丝杆为旋转式,还是直进式……直进式微分头的丝杆进给时不旋转,因此不会在工件表面产生扭矩和接触面的磨损。

 如有技术疑问,请在拍下宝贝前,与我们的小二联系好,我们将会尽大努力为您提供合适产品!

 

深圳市新德亚精密仪器有限公司是一家生产微分头的企业,是经相关部门批准注册的企业。主营微分头、测微头等量具,公司位于深圳。深圳市新德亚精密仪器有限公司本着“客户,诚信至上”的原则,与多家企业建立了长期的合作关系。热诚欢迎各界朋友前来参观、考察、洽谈业务。公司拥有自己的“新德亚”牌,“SUNTIME”牌。

 

 

电    话:86

移动电话: 

传    真:86

旺旺咨询:haolai5  sandey1688

地    址: 广东 深圳市龙华新区上塘电站路88号颐泉办公楼三楼

公司主页:http://www.sun-time.net.cn/

http://sandey1688.cn.alibaba.com/

http://sundey17.testmart.cn/

淘宝店铺:   http://shop64302932.taobao.com/?spm=2013.1.2-.ZHa8QM

上一篇:平面平晶的用途
下一篇:测微头的使用方法