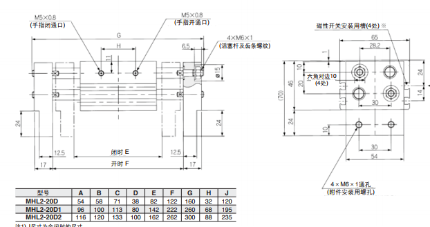
SMC平行开闭型气爪MHL2-20D1的图纸规格

特征:
长行程
适合夹持尺寸差别大的大型工件
采用双活塞夹持力大
采用特别密封件防尘设计
实物图:

介绍:
气爪简单的理解其实也是气缸,都是通过压缩空气来推动活塞,作动,气
爪的开头一般情况下分为两片,通过推动活塞,完成夹紧和收放的动作。
气缸与气爪的相同点一般在于,都是使用压缩空气作动力源,都是使用电
磁阀来完成换向。
警告:
空压机器是否适用,应由空压系统设计者或规格确定的人士来判断。
设计者或者规格确定人根据需要
在进行分析及测试后再决定。系统性能及其安全性方面由系统适合性判定
防止措施和失控防止措施等。
b. 在拆卸机器之前,应确认是否采取上述安全措施,并切断相当于供气机
者负责。希望日常关注新的产
品样本和资料、探讨所有相关的事项,并充分考虑机器发生故障的可能性
③ 在确认安全之前,不得进行机械、装置的操作和拆卸。
a. 实施机械、装置的检查及整备之前,务必确认已经采取被驱动物体下落
,以构筑理想的系统。
② 本公司产品应由具备充分知识和经验的人士来操作。
一旦操作失误,压缩空气会发生危险。因此对使用空压机器的机械、装置
进行安装、操作、保养等作业时,
必须由具备丰富知识和经验的人进行。
这里介绍的产品可对应多种使用条件,是否适合于客户系统,应该由系统
器能量源的电源,并释放
系统内部的压缩空气。
尺寸图:

原理:
平行气爪的手指是通过两个活塞动作的。每一活塞由一个滚轮和一个双曲
柄与气动手指相连,形成一个特殊的驱动单元。这样,气动手指是轴向
对心移动,每个手指是不能单独移动的。如是手指反向移动,则先前受压
的活塞处于排气状态,而另一个活塞处于受压状态。
所示平行夹爪是由单活塞驱动,轴心带动曲柄,两片爪片上各有一个相对
应的曲柄槽。为减小磨擦阻力,爪片与本体连接为钢珠滑轨结构。
SMC平行开闭型气爪MHL2-20D1的图纸规格