带分离操作头的纤薄型安全开关/博恩斯坦BERNSTEIN功能介绍

特点:
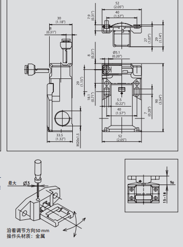
SKI是带分离操作头的纤薄型安全开关。其基于BERNSTEIN的I88
系列。其尺寸规格(不包括操作头头)符合EN 50047要求。
操作头为旋转安装式,具有两个操作头开口。SKI安全开关为设
计安装在型材结构上,以及安装条件狭窄的应用场合。与SKT系
列相比,SKI具有更多的配线接线空间,同时提供多达三个开关
触点的类型。
该系列的其他优势包括:
l 集体弹出功能 (FE) :
如果门未安全锁紧,操作头将被弹出。造成的结果就是,安
全触点开启,从而防止机器启动。此外,这一功能还可以明
确显示门需要关紧。
l 操作力(高达50 N):
标准操作力为10N。部分开关型号,也可选择高达50 N的操作
力。在众多应用中,必须确保门和开口关紧以防意外打开。
通过门闩、紧固件或其他闩锁机械装置,即可实现此目的。
对于需要更高的操作力的应用场合,应选择SKI安全开关。
l 通用铰链式操作头 (MRU) :
MRU操作头尤其适合于安装条件严格限制了操作行程或半径
的应用场合。在水平和垂直平面上,其操作半径可调整。

技术数据:
额定绝缘电压 大Ui 250 V AC
额定工作电压 大Ue 240 V
约定发热电流(大值)� Ithe 10 A
用途等级(高)� AC-15, Ue /Ie 240 V / 3 A
机械数据
开关频率 ≤ 30/分
标准型机械使用寿命
增大操作头固定力型机械使用寿命
1 x 106
开关周期
1 x 105
开关周期
B10d(高)� 2百万
短路保护 熔丝6 A gL/gG
防护等级 II,绝缘
环境温度 –30 °C至+ 80 °C
防护等级 IP65,依据IEC/EN 60529
连接类型 螺栓连接
导体截面 单线式:0.5 – 1.5 mm2
或带截面为
0.5 – 1.5 mm2
金属圈的绞合电线
机箱 热塑体,
玻璃纤维加固 (UL94-V0)
电缆入口 1 x M20 x 1.5
带分离操作头的纤薄型安全开关/博恩斯坦BERNSTEIN功能介绍