2.5P10FG10|上海如庆代理汕2.5P10F10G双晶探头|上海如庆电子科技有限公司
上海如庆经营 :进口探头 GE探头、奥林巴斯探头、声纳探头、达高特探头;国产 汕探头、自己生产的探头
上海如庆电子科技有限公司还可以根据客户要求定制,详细情况请来电



双晶直探头
装有两个晶片的探头,一个作为发射器,另一个作为接收器。又称分割式探头、或者联合双探头。双晶探头主要由插座、外壳、隔声层、发射晶片、接收晶片、延迟块等组成。
双晶直探头简介:
装有两个晶片的探头,一个作为发射器,另一个作为接收器。又称分割式探头、或者联合双探头。双晶探头主要由插座、外壳、隔声层、发射晶片、接收晶片、延迟块等组成。
双晶直探头功能特点:
•插座为电气接口,通过探头线连接到仪器上去
•铝合金外壳起到支撑、保护、电磁屏蔽的作用
•超声波声束的发射由发射晶片完成
•接收晶片将工件中反射回来的声束转换成电信号
•发射晶片和接收晶片之间,贴合有隔声层
•晶片被粘结在延迟块上,改变两个延迟块之间的夹角,可获得不同的焦距值。
双晶直探头应用领域:上海如庆电子科技有限公司
双晶探头的用途与直探头相似:使用垂直的纵波声束扫查工件。
相对直探头而言,双晶直探头具有更好的近表面缺陷检出能力;对于粗糙或者弯曲的检测面,具有更好的
耦合效果。上海如庆
典型用途示意图:上海如庆
小直径棒材的检测 板材的检测上海如庆
双金属结合质量的检测 管壁厚度的测量。
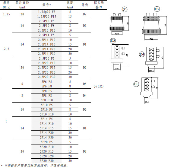
双晶直探头规格型号:上海如庆
|
频率(MHz) |
晶片尺寸(mm) |
型号 |
焦距 |
外壳 |
插座 |
|
1.25 |
20 |
1.25P20 F5 |
5 |
D2 |
Q6(双) |
|
1.25P20 F15 |
15 |
||||
|
2.5 |
10 |
2.5P10 F5 |
5 |
D3 |
|
|
2.5P10 F8 |
8 |
||||
|
2.5P10 F10 |
10 |
||||
|
14 |
2.5P14 F5 |
5 |
D1 |
||
|
2.5P14 F10 |
10 |
||||
|
2.5P14 F15 |
15 |
||||
|
2.5P14 F20 |
20 |
||||
|
2.5P14 F30 |
30 |
||||
|
20 |
2.5P20 F5 |
5 |
D2 |
||
|
2.5P20 F10 |
10 |
||||
|
2.5P20 F15 |
15 |
||||
|
2.5P20 F20 |
20 |
||||
|
2.5P20 F30 |
30 |
||||
|
5 |
6 |
5P6 F5 |
5 |
D5 |
|
|
5P6 F8 |
8 |
||||
|
8 |
5P8 F5 |
5 |
D4 |
||
|
5P8 F8 |
8 |
||||
|
5P8 F10 |
10 |
||||
|
10 |
5P10 F5 |
5 |
D3 |
||
|
5P10 F8 |
8 |
||||
|
5P10 F10 |
10 |
||||
|
14 |
5P14 F5 |
5 |
D1 |
||
|
5P14 F10 |
10 |
||||
|
5P14 F15 |
15 |
||||
|
5P14 F20 |
20 |
||||
|
5P14 F30 |
30 |
||||
|
20 |
5P20 F5 |
5 |
D2 |
||
|
5P20 F10 |
10 |
||||
|
5P20 F15 |
15 |
||||
|
5P20 F20 |
20 |
||||
|
5P20 F30 |
30 |
可根据客户需要定做其他规格,详情请联系。
双晶直探头使用方法:来电咨询上海如庆电子科技有限公司
双晶直探头销售区域:国内市场和国外市场
双晶直探头参考价格:来电咨询上海如庆电子科技有限公司
双晶直探头参考图片:

