苏州得道自动化设备有限公司
试用会员
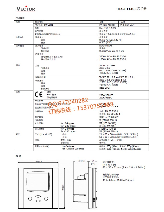
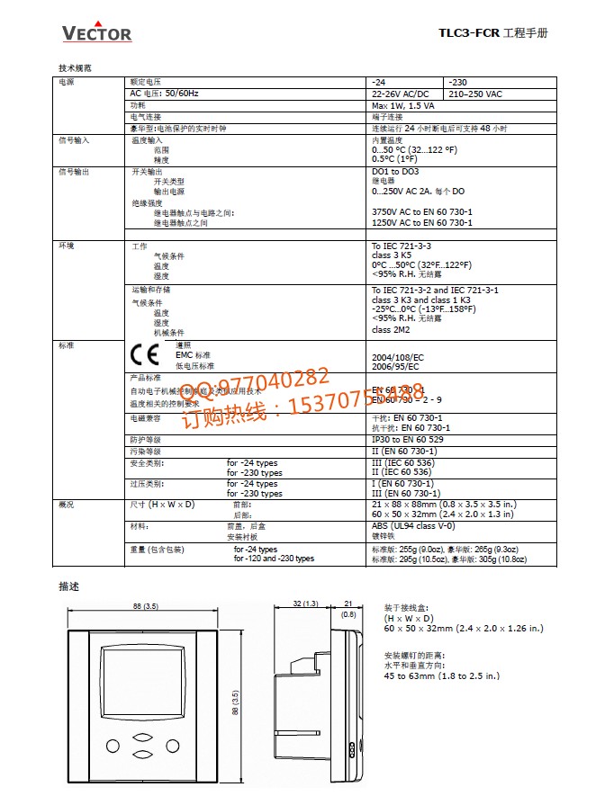
瑞士伟拓Vector室内智能中央空调温控器TLC3-FCR三速风机开关面板
发布时间:2018-09-04
上一篇:
34BYY-H16B-T,34B...
下一篇:
核心资料OLV系列 高性能速度传...