日本太平耐压防爆开关

发布时间:2018-09-30

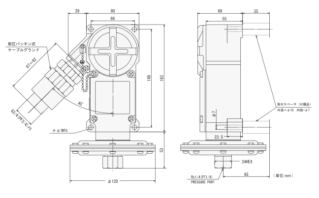
防爆压力开关,可以在非常低的压力范围内使用,3~25kpa。

隔膜采用丁晴橡胶材质。

可以用于各种压力介质,如空气,水,油,气体。

微动开关可选SPDT标准型,微负载类型(24VDC)和密封型(耐环境)。

ExdIICT6(防爆等級)認定品。

上一篇:咸阳市施耐德电气代理/经销商
下一篇:西门子808D系统价格代理商