日本太平耐压防爆开关TEX1-Z032P

发布时间:2018-09-30

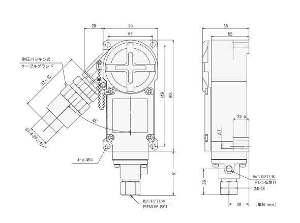
防爆压力开关采用黄铜(镀镍)或SUS420F活塞作为压力传感元件。

采用O型圈和聚四氟乙烯作为活塞密封件,这种配置延长了开关的使用寿命。

压力开关适用于0.1~63.5MPa。

微动开关可选SPDT标准类型,微负载类型(24VDC)和密封型(耐环境)。

ExdIICT6(防爆等級)認定品。

上一篇:鸡泽cems烟气在线监测系统...
下一篇:A-B罗克韦尔194E-E16-...