日本太平耐压防爆开关TEX1-Z002BS

发布时间:2018-09-30

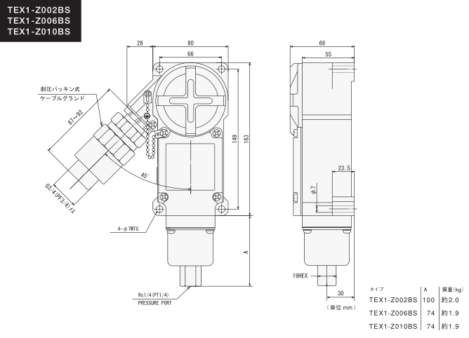
防爆压力开关,采用SUS316L材质用于传感元件。

可以用于各种压力介质,如空气,水,液压,气压以及蒸汽压力。

适用压力0.005〜11.5MPa。

微动开关可以选择SPDT标准类型,微负载类型(24VDC)和密封型(耐环境)。  ExdIICT6(防爆等級)認定品。

 

上一篇:PUMG650-10控制保护
下一篇:安康烟筒拆除单位—欢迎访问