Acrel-3000电能管理系统在陕西煤业化工建设集团基地办公楼项目的应用

发布时间:2018-10-17

安科瑞 王琪

江苏安科瑞电器制造有限公司 江苏江阴 214405

 摘要:介绍陕西煤业化工建设(集团)基地办公楼项目,采用智能电力仪表、采集配电现场的各种电参量和开关信号。系统采用现场就地组网的方式,组网后通过现场总线通讯并远传至后台,通过Acrel-3000型电能管理系统实现配电室配电回路用电的实时监控和管理。

关键词:陕西煤业化工建设(集团)基地办公楼;智能电力仪表;Acrel-3000;电能管理系统; 

0 概述 

陕西煤业化工建设(集团)基地办公楼工程位于西咸新区秦汉新城兰池大道中段,属于西咸新区规划中的CBD核心区域,建筑面积53647㎡,是建设集团列为争创鲁班奖的工程项目。

本工程包含主楼、副楼及地下车库,地下一、二层为汽车车库及设备用房,主楼一至十六层为办公室,十八至二十三层为培训中心休息室,副楼一层为餐厅,二层为餐厅及报告厅,三层为培训教室、四层为职工活动室。

现场共有一间变配电室,其中一组高压柜,三组变压器柜,一组柴油发电机组,其中三台低压进线柜、一台柴油发电机进线柜、两台母联柜采用的是ACR330ELH多功能仪表,146个低压出线回路采用的是PZ80-E4多功能仪表。

1 需求分析

为保证办公楼用电负荷的统计与分析及对危险源实时监控。需要对项目现场的配电室中高压配电柜以及低压进线及出线回路进行电压、电流、功率等参数进行实时在线监控。一旦监控点被监视参数异常,能够及时检测报警,有关人员采取必要的措施,避免安全事故的发生。自动抄表功能节省了人力物力,功率趋势曲线功能能够直观的显示各回路的工作状态与时间,方便用户找出非正常用电回路并且及时进行整改,建立电能多级计量体系提供用能分析依据。

本技术条件适用于陕西煤业化工建设(集团)基地办公楼配电室。供方产品应具有高安全性与可靠性、易于扩展、便于维修与维护。供方提供的产品应至少满足本技术条件,但不仅限于此,其技术性能应满足对配电室数据监控的要求。

数据采集

自动采集现场所有电量仪表的模拟量数据,自动采集现场开关状态以及故障状态等开关量数据。

支持实时采集、自动周期采集(定时采集)可配置周期(1分钟~24小时)。

支持数据传输正确性检验,异常数据自动处理。

支持多线程处理机制,提高数据采集效率,能同时对多个设备进行数据采集。

数据实时显示采用配电柜一次图直观显示模式,各回路开关断合以及故障状态直观可见。

数据分析与处理

数据的综合统计、分析需要实现以下功能:

各设备用电数据小时、日、月、年等时间段内的统计、计算。

各设备的用电负荷(有功、无功)大、小、平均值计算。

统计各出线回路及整体的用电量(有功、无功)。

数据查询与展示

要求能方便实现客户端查询和各级管理人员的查询,查询界面能适应各级管理人员的要求能够支持灵活的条件组合查询和对比分析,各类统计分析的数据可灵活采用报表等多种图表方式直观的展示功能。

数据展示功能按照不同用户的不同的权限,分为操作层、管理层用能展示。

权限管理

要求对不同用户赋予不同角色的权限,能授权到功能子菜单、具体档案记录、数据记录等。

系统要求具备合理完善的用户安全控制机制,能使应用环境中的信息资源得到有效地保护,防止信息的丢失、失窃和破坏。

故障报警

故障判断与报警具有故障自动判断并采用声光方式报警功能。报警类型包括微机保护开关量变位,电压、电流限,现场综保或者仪表与监控系统通讯故障等。报警时间自动记入系统数据库,方便用户查询,工作人员可随时掌握配电室实时运行状态,发现变配电运行故障并作出相应处理,提高变配电的管理效率,提升电力系统安全性、可靠性。

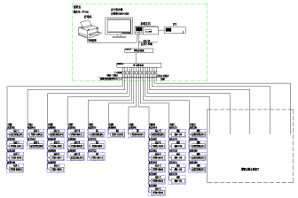
2  系统方案

安科瑞Acrel-3000电能管理系统根据陕西煤业化工建设(集团)基地办公楼现场实际情况,整体网络结构采用屏蔽双绞线直接接至串口服务器然后通过网线直接接至配电室内的监控主机,保障了电能管理监控系统传输的稳定性与实时性。

现场配电室内共有1只AM5-U微机保护,4只AM4-I微机保护,10只ACR330ELH多功能仪表,3只PZ96L-E4多功能仪表,157只PZ80-E4多功能仪表,综保和仪表分为十条RS485总线接至串口服务器上,串口服务器通过网线连接到监控主机实现总线上仪表与监控主机的数据连通。

1)站控管理层

站控管理层针对电力监控系统的管理人员,是人机交互的直接窗口。在陕西煤业化工建设(集团)基地办公楼工程中主要指置于地下一层配电室的监控主机。

2)网络通讯层

 通讯层主要是由Nport5610-16一台、串口转换隔离器I-7520R十六只以太网设备及总线网络组成。Nport5610-16串口服务器主要功能是监测现场智能仪表;以太网设备及总线网络的主要功能是实现站控管理层于现场设备之间的数据交互,使配电系统管理集中化、信息化、智能化,极大提高了配电系统的安全性、可靠性和稳定性,真正达到了无人值守的目的。

3)现场设备层

现场设备层是数据采集终端,主要由微机保护以及智能仪表组成,微机保护及智能仪表通过屏蔽双绞线RS485接口,采用MODBUS通讯协议总线型连接接入串口服务器,经串口服务器到达该配电间监控主机进行组网,实现远程控制。

系统结构图

595Acrel-3000电能管理系统在陕西煤业化工建设(集团)基地办公楼项目的应用2181.png


智能仪表现场连接示意

现场仪表以手拉手方式通过屏蔽双绞线(RVSP2*1.0)进行通讯连接,每根总线连接微机保护在5只左右,智能仪表数量在20只左右,不同种类的智能装置连接在不同的总线上,然后将数据上传至串口服务器Nport5610-16,进而将数据上传至当地监控终端。具体连接示意图如下所示:

595Acrel-3000电能管理系统在陕西煤业化工建设(集团)基地办公楼项目的应用2332.png

3  系统功能

变电所实时监控系统图为主监控画面,主要实时监测变电所所有回路的运行状态,红色代表合闸,绿色代表分闸。在系统图中可以直观的看到每路进线和出线的运行参数和状态,可以看到高低压的所有常规电力参数,如:三相电压、电流、有功功率、无功功率、功率因数、频率、有功电度等。如下图所:

595Acrel-3000电能管理系统在陕西煤业化工建设(集团)基地办公楼项目的应用2476.png

高压一次系统图

595Acrel-3000电能管理系统在陕西煤业化工建设(集团)基地办公楼项目的应用2486.png

低压一次系统图

遥信和遥测报警功能,主要完成对高低压各回路的开关运行状态和负载进线监控,对开关变位和负载越限弹出报警界面指示具体的报警位置并声音报警,提醒值班人员及时处理。负载越限值在相应权限下可自由设置。       

595Acrel-3000电能管理系统在陕西煤业化工建设(集团)基地办公楼项目的应用2599.png

电流限值设置

事件告警记录功能,主要完成对查询时间段内出现的报警信息事件记录以及发生时间,为值班人员提供依据并且分析事故发生的原因。

参数抄表功能,主要对低压各出线回路的电参数进线查询。支持任意时刻电参数查询,具备数据导出和报表打印等功能。该报表查询陕西煤业化工建设(集团)基地办公楼配电室高低压进出线回路的电参数,主要包括:三相电流、有功功率和有功电度。该报表各回路名称和数据库关联,方便用户修改回路名称。如下图所示:

595Acrel-3000电能管理系统在陕西煤业化工建设(集团)基地办公楼项目的应用2812.png

电参数抄表

用电量报表功能,可选择时间段进行查询,支持任意时间段电度累计查询,具备数据导出和报表打印等功能。为值班人员提供了可靠的电能报表。该报表各回路名称和数据库关联,方便用户修改回路名称。如下图所示,用户可以直接打印报表,可以以EXCEL格式另存到其他位置。 如下图所示:

595Acrel-3000电能管理系统在陕西煤业化工建设(集团)基地办公楼项目的应用2975.png

电能报表

系统通讯结构示意图,主要显示系统的组网结构,系统采用分层分布式结构,同时监测间隔层设备的通信状态。红色表示通讯正常,绿色表示通讯故障。下图为变电所通讯状态示意图。

595Acrel-3000电能管理系统在陕西煤业化工建设(集团)基地办公楼项目的应用3064.png

通讯结构示意图

负荷趋势曲线界面中可直观的查看回路的负荷运行情况。查看实时和历史趋势曲线,点击画面相应按钮或菜单项可以完成相应功能的切换;帮助用户进线趋势分析和故障追忆,具备曲线打印功能。为分析整个系统的运行状况提供了直观而方便的软件支持。

用户权限管理,对不同用户赋予不同角色的权限,能授权到功能子菜单、具体档案记录、数据记录等。下图为权限配置界面。

595Acrel-3000电能管理系统在陕西煤业化工建设(集团)基地办公楼项目的应用3243.png

趋势曲线图

4  结束语

在当今配电设施的应用中,办公楼项目的配电安全性至关重要,本文介绍的Acrel-2000电力监控系统在陕西煤业化工建设(集团)基地办公楼的应用,可以实现对配电室供配电回路用电的实时监控,系统对采集数据的分析、处理,实时显示配电室内各配电回路的运行状态,对负载越限具有弹出报警对话框、语音提示,并生成各种电能报表、分析曲线、图形等,便于电能的远程抄表以及分析、研究,该系统运行安全、可靠、稳定,为本项目解决用电问题提供了真实可靠的依据。


参考文献:

[1]《电力电测数字仪表原理与应用指南》, 任致程、周中,电力出版社

[2]《电力监控系统在供配电设计中的应用》,高士宏,科技风

[3]《电力监控运用于10kv供配电设计》,姚强,科技天地

作者简介:王琪,男,本科,江苏安科瑞电器制造有限公司,技术工程师,主要研究方向为智能电力监控与电能管理系统。

上一篇:6FC5297-0AF00-0B...
下一篇:3VU1340-1NH00 2-...