产品有售意大利麦特沃克手控阀W3501001110

Mini 阀,带3/2常开、常闭型提动阀,
任意位置安装 的管子 结构形式 型式 机控
可根据需要在VME阀旁边安装常开常闭型电子开关
-10°至+60°C 60 Nl/min 8 N ISO和UNI FD 22
圈: NBR丁腈橡胶 铜或塑料 1 6 3
:铜 快插接头螺纹:不锈钢、
安装位置 零部件 阀体:铝
建议使用的润滑剂 按钮:化学镀镍铜
6 bar压差为0.5 bar时的流量
启动力小 信号迅速准确
工作压力 工作温度 公称通径 C
VMA1-000 连接件,可VME 1VME 2
快插接头,用于直径4和M5的管子 (轴向或侧向)
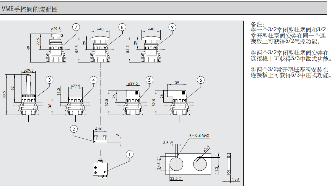
3/25/25/3中式和5/3中压功能。
机械驱动 发出电/气复合信号。
16.5 Nl/min · bar 2.5 mm 0.03 bar/bar
机控、手控 0.5-10 bar 弹簧:不锈钢 2 5
手控 b 6 bar时柱塞的驱动力
提动式 35 Nl/min 任意位置
4 6 取决于所选的驱动面板类型
快插接头,用于阀体上内径 4 mm 、接口螺纹M5
手控 22面板驱动器可
6 bar压差为1 bar 时的流量
未润滑的过滤空气。若润滑,则必须持续润滑。
带柱塞、墙面安装用的柱塞、滚轮杠杆、单向滚轮杠杆




产品有售意大利麦特沃克手控阀W3501001110