SMC隔膜泵PB1013A-F01-B的技术介绍

工作原理:
隔膜泵是容积泵中较为特殊的一种形式。它是依靠一个隔膜片的
液压传动和气压传动等,其中应用较为广泛的是液压传动。隔膜
泵的工作部分主要由曲柄连杆机构、柱塞、液缸、隔膜、泵体、
来回鼓动改变工作室容积从而吸入和排出液体的。
气动隔膜泵主要由传动部分和隔膜缸头两大部分组成。传动部分
吸入阀和排出阀等组成,其中,由曲轴连杆,柱塞和液缸构成的
是带动隔膜片来回鼓动的驱动机构,它的传动形式有机械传动、
驱动机构与往复柱塞泵十分相似。
实物图:

注意事项:
请勿在以下环境中使用。
存在腐蚀性气体,有机溶剂,化学品或易燃液体的环境。
气和动力,然后从系统排出压缩空气。 放电或替代必要时残留的
低露点压缩空气
如果使用干燥空气作为先导空气,它会降低润滑特性并影响
产品暴露于海水,水或水蒸气的地方。
由于紫外线或温度升高导致树脂劣化的原因阳光直射。
设备的可靠性(寿命)。
安装将两个螺钉插入两个M4螺纹安装孔,牢固地固定泵。 如果
周围环境中存在热源且通风不良的地方(屏蔽带绝缘体的热源)
存在冲击或振动的地方。
液体。 在重新安装或重新安装后再次启动设备时更换,首先确认
存在过多湿度或灰尘的地方。
使用脚(选项B),使用两个φ4.5安装孔牢固地固定脚。
操作前确认安全
当先导空气的产品或供气/排气设备被移除时,切断供应压缩空
安全,然后确认设备可以正常运行。
型号:
MHKL2-20DS
MHKL2-20S1
MHKL2-20S1
MHKL2-25DF
MHKL2-25DF
MHKL2-25DS
MHKL2-25DS
MHKL2-25S
MHKL2-25S
MHL2-10D1
MHL2-10D1
MHL2-10D2
MHL2-16D-X4
MHL2-16D-X4
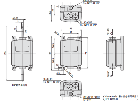
尺寸图:

MHL2-16D-X5
MHL2-16D-X5
MHL2-16D-X975
MHL2-16D-X975
MHL2-16D-Y59A
MHL216DY69B2001
MHL2-16D-Y69B-X2001
MHL2-20D
MHL2-20D
MHL2-20D1
MHL2-20D1
MHMA502A1H

MHMD002P1U
MHMD022G1U
MHMD022G1U
MHMD022P1S
MHMD022P1S
MHL2-20D2
MHL2-20D2
MHL2-20D-X2565
MHL2-20D-X2565
MHL2-25D
MHL2-25D
MHL2-25D1
MHL2-25D1
MHL2-25D2
MHL2-25D2
MHL2-25D-X4157
MHL2-25D-X4157
MHL2-32D
MHL2-32D
MHL2-32D1

MHL2-32D1
MHL2-32D2
MHL2-32D2
MHL2-10D2
MHL2-10D2-X4
MHL2-10D2-X4
MHL2-10D2-X5
MHKL2-20S1F
MHKL2-20S1F
MHKL2-25C
MHKL2-25C
MHKL2-25D
MHMA502A1D
MHMA502A1D
MHMA502A1G
MHMA502A1G
MHMA502A1H
MHMD022P1U
MHMD022P1U
MHMD022P1V
MHMD022P1V
MHKL2-25D
MHKL2-25D1F
MHKL2-25D1F
MHKL2-25D1S
MHKL2-25D1S
MHL2-10D2-X5
MHL2-10D-X1628
MHL2-10D-X1628
MHL10-PS
MHL10-PS
MHL16-PS
MHL16-PS

MHL20-PS
MHL20-PS
MHL2-10D
MHL2-10D
MHL2-10D-X2348
MHL2-10D-X2348
SMC隔膜泵PB1013A-F01-B的技术介绍