160SCY14-1D轴向柱塞泵,160SCY14-1D轴向柱塞泵价格,160SCY14-1D轴向柱塞泵生产厂家

10.25(32).40.63.(80) SCY14-1B(括号内为SGY)
|
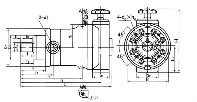
型号
|
b
|
b0
(N9) |
b1
|
b2
|
b3
|
D0
|
D1
(f9) |
D2
|
D3
|
d
(h6) |
d1
|
d2
|
d3
|
H
|
|
10SCY14-1B
|
|
75
|
125
|
150
|
25
|
M22×1.5
|
M14×1.5
|
231
|
||||||
|
25(32)SCY14-1B
|
| 5
|
100
|
150
|
170
|
30
|
M33×2
|
M14×1.5
|
266
|
|||||
|
40SCY14-1B
|
| 35
|
100
|
164
|
182
|
32
|
M39×2
|
M18×1.5
|
274
|
|||||
|
63(80)SCY14-1B
|
200
|
12
|
74
|
104
|
155
|
120
|
190
|
225
|
40
|
M42×2
|
M18×1.5
|
305
|
||
|
160SCY14-1B
|
340
|
16
|
100
|
120
|
90
|
198
|
150
|
240
|
300
|
55
|
50
|
64
|
M22× | |
)SCY14-1B
|
420
|
18
|
100
|
140
|
110
|
230
|
180
|
280
|
360
|
60
|
55
|
76
|
M22×1.5
|
470
|
|
型号
|
h1
|
h2
|
h3
|
L
|
I
|
I0
|
I1
|
I2
|
I3
|
I4
|
I5
|
I6
|
t
|
d0×h0
|
|
10SCY14-1B
|
71
|
91
|
295
|
40
|
30
|
4
|
41
|
86
|
109
|
194
|
258
|
28
|
M10×25深
|
|
|
25(32)SCY14-1B
|
83
|
101
|
362
|
52
|
45
|
4
|
54
|
104
|
| .5
|
M10×25深
|
|||
|
40SCY14-1B
|
87
|
112
|
362
|
49
|
45
|
4
|
54
|
104
|
|
M10×25深
|
||||
|
63(80)SCY14-1B
|
108
|
130
|
440
|
60
|
50
|
4
|
62
|
122
|
| .8
|
M12×25深
|
|||
|
160SCY14-1B
|
|
106
|
100
|
4
|
110
|
180
|
230
|
411
|
533
|
59
|
M16×35深
|
|||
|
250SCY14-1B
|
|
110
|
100
|
5
|
112
|
212
|
272
|
492
|
629
|
63.9
|
M20×45深
|
|||
|
400SCY14-1B
|
|
110
|
100
|
5
|
112
|
212
|
277
|
502
|
629
|
63.9
|
M20×45深
|
A2F250W2P1,A2F355W2P1,
无锡凯维联液压机械有限公司
网址:WWW.KWL002.COM
联系人:管后军
QQ:692986299
电话:
传真:
手机: