100PCY14-1B轴向柱塞泵,100PCY14-1B轴向柱塞泵价格,100PCY14-1B轴向柱塞泵生产厂家
结构原理简述
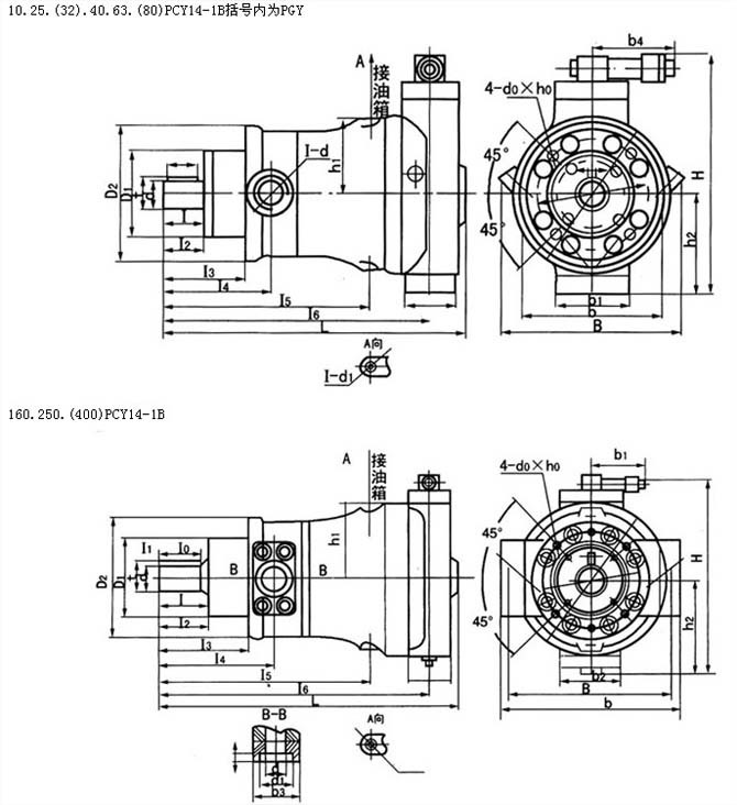
这种变量型式的泵,输出压力小于调定恒压力时,全排量输出压力油,即定量输出,在输出油液的压力达到调定压力时,就自动地调节泵流量,以保持该恒压力,满足系统的要求。泵的输出恒压值,根据需要,在调压范围内可以无级调定。泵的结构见上图,该结构将输出压力油同时通至变量活塞下腔和恒压阀的控制油入口,当输出压力小于调定恒压力时,作用在恒压阀芯上的油压推力小于调定弹簧力,恒压阀处于开启状态,压力油进入变量活塞上腔,变量活塞压在低位置,泵全排量输出压力油:当泵在调定压力工作时,作用在恒压阀芯上的油压推力等于调定弹簧力,恒压阀的进排油口同时处于开启状态,使变量活塞上下腔的油压推力相等,变量活塞平衡在某一位置工作,若液压阻尼(负载)加大,油压瞬时升高,恒压阀排油口开大、进油口关小,变量活塞上腔比较下腔压力降低、变量活塞向上移动,泵的流量减小,直至压力下降到调定恒压力,这时变量活塞在新的平衡位置工作。反之,若液压阻尼(负载)减小,油压瞬时下降,恒压阀进油口开大,排油口关小,变量活塞上腔比较下腔油压升高,变量活塞向下移动,泵的流量增大,直至压力上升至调定恒压力。

|
型号
|
进口
|
出口
|
回油口
|
|
10PCY14-1B
|
22×16
|
18×13
|
10×8
|
|
25(32)PCY14-1B
|
34×24
|
28×20
|
10×8
|
|
40PCY14-1B
|
42×30
|
34×24
|
12×10
|
|
63(80)PCY14-1B
|
50×38
|
42×30
|
12×10
|
|
160PCY14-1B
|
63×46
|
50×38
|
18×15
|
|
250PCY14-1B
|
75×55
|
63×46
|
18×15
|
|
400PGY14-1B
|
90×66
|
75×55
|
22×18
|
|
型号
|
B
|
b
|
b0
(N9) |
b1
|
b2
|
b3
|
b4
|
D0
|
D1
(f9) |
D2
|
D3
|
d
(h6) |
d1
|
d2
|
d3
|
|
10PCY14-1B
|
|
110
|
100
|
75
|
125
|
150
|
25
|
M22×1.5
|
M14×1.5
|
||||||
|
25(32)PCY14-1B
|
191
|
172
|
8
|
66
|
100
|
110
|
125
|
100
|
150
|
170
|
30
|
M33×2
|
M14×1.5
|
||
|
40PCY14-1B
|
191
|
172
|
10
|
66
|
100
|
110
|
135
|
100
|
150
|
170
|
32
|
M39×2
|
M18×1.5
|
||
|
63(80)PCY14-1B
|
258
|
200
|
12
|
74
|
104
|
110
|
155
|
120
|
190
|
225
|
40
|
M42×2
|
M18×1.5
|
||
|
160PCY14-1B
|
322
|
340
|
16
|
100
|
120
|
90
|
110
|
198
|
150
|
240
|
300
|
55
|
50
|
64
|
M22×1.5
|
|
250PCY14-1B
|
385
|
420
|
18
|
100
|
140
|
110
|
110
|
230
|
180
|
280
|
360
|
60
|
55
|
76
|
M22×1.5
|
|
400PGY14-1B
|
385
|
420
|
18
|
100
|
140
|
110
|
110
|
230
|
180
|
280
|
360
|
60
|
65
|
76
|
M22×1.5
|
|
型号
|
H
|
h1
|
h2
|
h3
|
L
|
I
|
I0
|
I1
|
I2
|
I3
|
I4
|
I5
|
I6
|
t
|
d0×h0
|
|
10PCY14-1B
|
255
|
71
|
101
|
295
|
40
|
30
|
4
|
41
|
86
|
109
|
194
|
258
|
28
|
M10×25深
|
|
|
25(32)PCY14-1B
|
280
|
83
|
120
|
362
|
52
|
45
|
4
|
54
|
104
|
| .5
|
M10×25深
|
|||
|
40PCY14-1B
|
280
|
83
|
120
|
362
|
52
|
45
|
4
|
54
|
104
|
|
M10×25深
|
||||
|
63(80)PCY14-1B
|
329
|
108
|
140
|
440
|
60
|
50
|
4
|
62
|
122
|
| .8
|
M12×25深
|
|||
|
160PCY14-1B
|
396
|
141
|
173
|
25
|
595
|
106
|
100
|
4
|
110
|
180
|
230
|
411
|
533
|
59
|
M16×35深
|
|
250PCY14-1B
|
465
|
170
|
210
|
25
|
691
|
110
|
100
|
5
|
112
|
212
|
272
|
492
|
629
|
63.9
|
M20×45深
|
|
400PGY14-1B
|
465
|
170
|
210
|
25
|
701
|
110
|
100
|
5
|
112
|
212
|
277
|
502
|
629
|
63.9
|
M20×45深
|
250SCY14-1D,250SCY14-1B,400SCY14-1B,
无锡凯维联液压机械有限公司
网址:WWW.KWL002.COM
联系人:管后军
QQ:692986299
电话:
传真:
手机: