32MYCY14-1B轴向柱塞泵,32MYCY14-1B轴向柱塞泵价格,32MYCY14-1B轴向柱塞泵生产厂家
MYCY型轴向柱塞泵
工作原理
这样,柱塞随着缸体的旋转而作往复运动,完成吸油和压油动作。 这种泵是依靠内控(也可以用外控)油压操纵变量机构。该泵的压力调节范围比较小,油压在3~4Mpa时产生变量后,流量迅速减小至所要求的高压流量值。 这种泵实际上相当于高低压组合泵,泵的驱动功率选择可以参照压力补偿变量泵的功率选择方法进行计算。来体部分的高压油,进入下法兰下腔(d),当弹簧力大于作用在推杆下端面积上的液压力时,推动变量活塞向下移动,使泵的流量增加。当作用 在推杆下端面积上的液压力大于弹簧的作用力时,变量活塞向上移动,使泵的流量减少。 调节变量特性时,根据所需流量和压力变化范围,调节调整套,使泵终级压力时的流量不再发生变化,
然后调整调节螺杆使泵流量刚发生变化时初始压力符合要求。

10、25、32、(40)63(80)MYCY14-1B
|
泵的型号
|
进口
|
出口
|
|
10MYCY14-1B
|
22×16
|
18×13
|
|
25.30MYCY14-1B
|
34×24
|
28×20
|
|
40MYCY14-1B
|
42×30
|
34×24
|
|
63MYCY14-1B
|
50×38
|
42×30
|
|
泵的型号
|
进口
|
出口
|
|
160MYCY14-1B
|
63×46
|
50×38
|
|
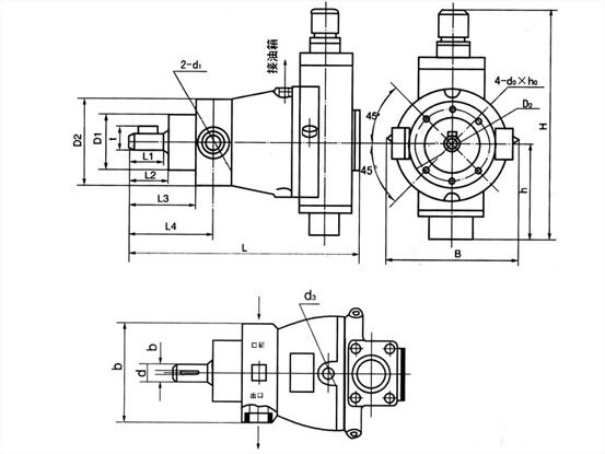
B
|
b
|
b0
|
b1
|
D0
|
D1
|
D2
|
d
|
d1
|
d2
|
H
|
h
|
h1
|
L
|
I1
|
I2
|
I3
|
I4
|
t
|
d0×h0
|
|||
|
10
|
MYCY14-1B
|
| 5
|
125
|
25
|
M22× |
40
|
41
|
86
|
109
|
28
|
M10×25
|
|||||||||||
|
25(32)
|
198
|
172
|
8
|
125
|
100
|
150
|
30
|
M33×2
|
335
|
153
|
362
|
52
|
54
|
104
|
134
|
32.5
|
M10×25
|
||||||
|
40
|
198
|
180
|
10
|
|
M39×2
|
344
|
168
|
362
|
52
|
54
|
104
|
134
|
35
|
M10×25
|
|||||||||
|
63(80)
|
258
|
200
|
12
|
|
M42×2
|
382
|
188
|
440
|
60
|
62
|
122
|
157
|
42.8
|
M12×25
|
|||||||||
|
160
|
322
|
340
|
16
|
90
|
198
|
150
|
240
|
55
|
50
|
64
|
515
|
222
|
25
|
595
|
108
|
110
|
180
|
230
|
59
|
M16×35
|
|||
A2F250W2P1,A2F355W2P1,
无锡凯维联液压机械有限公司
网址:WWW.KWL002.COM
联系人:管后军
QQ:692986299
电话:
传真:
手机: