电液换向阀,电液换向阀价格,电液换向阀生产厂家,




34EYO-F10B-ZZ,34EYO-F10B,34EYH-F10B-ZZ,34EYH-F10B,电液换向阀,
34EYY-F10B-ZZ,34EYY-F10B,34EYXOP-F10B-ZZ,34EYXOP-F10B,电液换向阀,
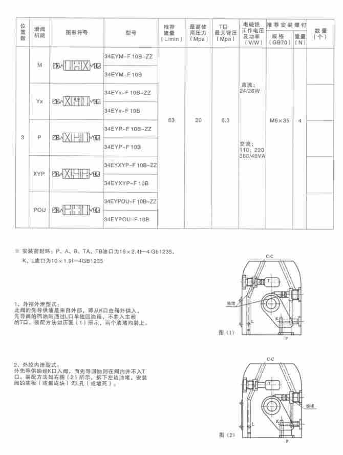
34EYM-F10B-ZZ,34EYM-F10B,34EYx-F10B-ZZ,34EYx-F10B,电液换向阀,
34EYP-F10B-ZZ,34EYP-F10B,34EYXYP-F10B-ZZ,34EYXYP-F10B,电液换向阀,
34EYPOU-F10B-ZZ,34EYPOU-F10B,电液换向阀,
电液换向阀,电液换向阀价格,电液换向阀生产厂家,
海门型电液换向阀,海门液压件厂,
无锡凯维联液压机械有限公司
网址:WWW.KWL002.COM
联系人:管后军
QQ:692986299
电话:
传真:
手机: