多圈值并行信号输出 * 12位4096线分辨率,12位连续圈数4096圈 * 宽工作电压范围, 10~30Vdc或5Vdc,极性保护 * 宽工作温度范围,-25~70℃;储存温度: -40~100℃ * 并行推挽输出, 值格雷码,可直接连接各种设备 * 夹紧法兰或同步法兰,国际标准型外形,其他外形可选 * 用于恶劣环境条件下的值编码器(潮湿、灰尘、冲击和振动)联系人:储诚方 电话: 手机: 传真: 邮箱:410224966@qq.com 邮编:201802
特性参数
工作电压: 10-30Vdc或5Vdc; 极性保护
消耗电流: 〈30mA(空载)
输出信号: 并行推挽输出(并行输出电压值可灵活设定)
输出代码: 格雷码
分 辨 率: 13位8192线(20为校验位实际有效分辨率4096)
连续圉数: 12位4096圈
精 度: 重复性±2bit(实际精度与安装精度、轴同心度有关)
工作温度: -25~70℃
储存温度: -40~100℃
防护等级: IP65
连接电缆: 1米30芯电缆径向侧出(其余形式可订货)
外形特征: 金属密封外壳,密封双轴承结构(安装尺寸见尺寸附图)
转 轴: 夹紧法兰:轴径10mm ,长度20mm,D型平面;同步法兰:轴径6mm ,长度10mm
一、接线说明:
25位30芯电缆
黑色
20
绿/黄
28
红/黄
216
棕/白
224
注:
1.并行输出基准电压,每位<2V压降正常 使用请和电源正(棕色)短接在一起
2.置位 :接24V+1秒钟当前值置零。
3.正反向:接24V+时逆时针数据增加
4.并行输出每位大50mA
5高电平有效。
绿色
21
橙/白
29
兰/白
217
橙色
22
紫/白
210
兰/黄
218
紫色
23
黄/绿
211
兰/棕
219
红色
KVCC注1
黄色
24
黄/红
212
白/红
220
灰色
置位 注2
黑/白
25
黄/兰
213
白/兰
221
棕色
10-30Vdc
绿/白
26
红/白
214
白/绿
222
白色
GND 0V
绿/棕
27
红/绿
215
灰/红
223
蓝色
正反向 注3
注释:20---212为分辨率,213-----224为编码器圈数。
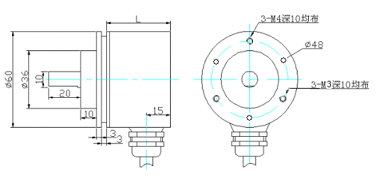
三、外形尺寸:
三、输出信号
HXM58FA-PX1212T 的输出为并行推挽式输出信号,与PLC的输入模块(I/O)连接如下图:
扩展功能【蓝色】:顺时针时使用请将该线与电源地(GND 0V)短接。
注意:编码器并行信号线低电平有效,适用于NPN 、PNP等信号类型。其中NPN为低电平信号有效,PNP为高电平有效
四、数据处理:
编码器输出数据为25位数据,前13位为分辨率,后12位为编码器圈数,PLC接收数据时,如果分辨率不需要13位那么高,那么实际使用中用位就接根线,低位丢掉,圈数接线从低位开始接,高位丢掉。例如:实际使用10(1024)位分辨率(D),8(256)位圈数;那么分辨率就从23开始接线,接到212。圈就从213开始接线,接到220。
PLC接收到的数据做2次格雷码转二进制数据转换,分辨率(B)和编码器圈数(C)分别转换;
数据计算:A=编码器圈数(C)*实际使用分辨率(D)+PLC接收到分辨率实际值(B)。
注释:A为编码器的输出整合数据。
夹紧同步法兰外形尺寸:

