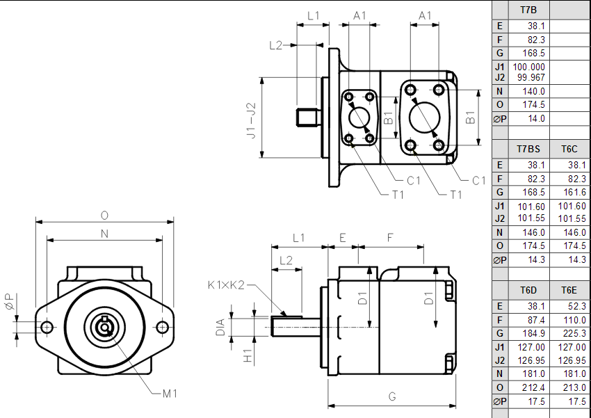
DENISON丹尼逊T7B/T6C系列尺寸图
公司地址:上海黄浦区北京东路668号科技京城东楼27-C1室
联 系 人:张小姐
电话:【直线】
手 机:
公司传真:
Q Q: 1482435966
邮 箱:1482435966@qq.com




丹尼逊PVT系列开式回路用轴向柱塞泵 DENISON丹尼逊PVT系列开式回路用轴向柱塞泵,帶尾驅動 PVT6 - 14.4 ml/rev. PVT29 - 61.9 ml/rev. PVT10 - 20.6 ml/rev. PVT38 - 80.0 ml/rev. PVT15 - 34.2 ml/rev. PVT47 - 100.0 ml/rev. PVT20 - 42.9 ml/rev. PVT64 - 130.0 ml/rev. DENISON丹尼逊PV系列开式回路用轴向柱塞泵此系列泵广泛应用于发电站及工业设备上,品质优异,性能可靠。共有PV6、PV10、PV15、PV20、PV29五种型号,排量分别为14.4ml/rev、20.6ml/rev、34.2ml/rev、42.9ml/rev、61.9ml/rev。其中除PV29高工作压力为275bar外,其余型号的高工作压力均为310bar。DENISON丹尼逊T6CR, T6DR, T6ER系列带尾驱动单联叶片泵 DENISON带尾驱动单联叶片泵高压力:240-280 bar。大排量:100-269 ml/rev。示例型号:T6DR-031-1R00-B10-A1。 DENISON丹尼逊T6DCCR, T6EDCR系列带尾驱动三联叶片泵 DENISON带尾驱动三联叶片泵高压力:P1:240 bar,P2:280 bar,P3:280 bar。大排量:P1:158-269 ml/rev,P2:100-158 ml/rev,P3:100-100 ml/rev。示例型号:T6EDCR-072-042-020-1R00-A1F0。 DENISON丹尼逊T6EE系列带尾驱动双联叶片泵 DENISON带尾驱动双联叶片泵高压力:P1:240 bar,P2:240 bar。大排量:P1:269 ml/rev,P2:269 ml/rev。示例型号:T6EE-072-045-2R00-A10-M0。 DENISON丹尼逊T6H系列混合泵 DENISON混合泵T6H20B, T6H20C, T6H29B, T6H29C, T6H29D系列高压力:P1:210-280 bar,P2:280-300 bar。大排量:P1:43-62 ml/rev,P2:50-158 ml/rev。示例型号:T6H20C-020-1R1B-F00-2M1-00。 DENISON丹尼逊其他叶片泵: DENISON丹尼逊T7B, T6C, T6D, T6E系列单联叶片泵 DENISON丹尼逊T7B, T6C, T6D, T6E系列单联叶片泵高工作压力从190bar至320bar可选,大排量从40ml/rev至269ml/rev可选。泵的重量从7.0Kg至43.3Kg。此系列叶片泵主要用于工业和行走机械。示例型号:T7B-B10-1R00-A1M1,T6C-025-1R00-C1。 DENISON丹尼逊T7BB, T67CB, T6CC, T67DB, T6DC, T6DDS, T67EB, T6EC, T6ED T6EE系列双联叶片泵 DENISON双联叶片泵高压力:P1:240-320 bar,P2:240-320 bar。大排量:P1:50-269 ml/rev,P2:50-158 ml/rev。示例型号:T6CC-025-020-1R00-C100,T6DC-045-014-2R00-C1。 DENISON丹尼逊首相系列开式回路用轴向柱塞泵 P080 - 80.3 ml/rev, 500 bar P110 - 109.8 ml/rev, 500 bar P140 - 140.9 ml/rev, 500 bar P200 - 200.0 ml/rev, 500 bar P260 - 262.2 ml/rev, 500 bar DENISON丹尼逊世界杯系列轴向柱塞泵 P6W - 98.3 ml/rev, 420 bar P7W - 118.8 ml/rev, 420 bar P8W - 131.1 ml/rev, 350 bar DENISON丹尼逊金杯系列开式及闭式回路用轴向柱塞泵 P6 - 98 ml/rev, 420 bar P11 - 180 ml/rev, 420 bar P7 - 119 ml/rev, 420 bar P14 - 229 ml/rev, 420 bar P8 - 131 ml/rev, 350 bar P24 - 403 ml/rev, 350 bar P30 - 501 ml/rev, 3
5.叶片泵的轴向间隙 对ηv影响很大。
美国丹尼逊系列此系列泵广泛应用于发电站及工业设备上,品质优异,性能可靠。共有PV6、PV10、PV15、PV20、PV29五种型号,排量分别为14.4ml/rev、20.6ml/rev、34.2ml/rev、42.9ml/rev、61.9ml/rev。其中除PV29高工作压力为275bar外,其余型号的高工作压力均为310bar。点击查看所有DENISONDENISON丹尼逊T7B,T6C,T6D,T6E系列单联叶片泵高工作压力从190bar至320bar可选,大排量从40ml/rev至269ml/rev可选。泵的重量从7.0Kg至43.3Kg。此系列叶片泵主要用于工业和行走机械。示例型号:T7B-B10-1R00-A1M1,T6C-025-1R00-C1。点击查看所有DENISON叶片DENISON丹尼逊MR系列径向柱塞从排量来分,DENISONMR系列马达可以分为定量马达、双排量马达和变量马达三种。DENISON定量马达高压力可达300bar,排量从32ml/rev至23034ml/rev均可选择。DENISON双排量马达高压力可达300bar,流量范围从304/152ml/rev至401/2700ml/rev。丹尼逊变量马达高压力可达300bar,流量范围从452/133ml/rev至5401/2700ml/rev。丹尼逊MR系列马达DENISONDENISON丹尼逊M5B系列叶片马达大工作压力为320bar,大排量为45.0ml/rev,重量为18.5Kg。M5B是按ISO3019-2100/A2形式安装,M5BS是按SAEB形式安装,M5BF是DENISON丹尼逊4D01系列直控DENISON丹尼逊4D01直控式换向阀是以电磁铁控制的,Cetop为03,大流量为80l/min,大压力为350bar。
DENISON丹尼逊2F1C系列流量控制阀均带有压力补偿和反向单向阀,有两种型号可供选择。
一级代理DENISON丹尼逊&美国丹尼逊系单联叶片泵
PV29 2R5D F00
HYDAC HDA4745-A-060-000
BURKERT 239092
NORELEM 21230-4025*0635
HYDAC HDA4744-A-100-000
BURKERT 268678
BURKERT 677679
BURKERT 677677
OMAL S100BAHUUPVRCA
OMAL S100DAHUUPVRCA
OMAL S100H008
ZIMMER MBPS3004BS1
PHOEINX MINI-PS-100-240AC/2X15DC/1
DUNKERMOTOREN GR53*30 60VDC
NORELEM 21230-4000
GEFRAN PC-M-0600
Tiefenbach 501859
Tiefenbach 200627
Tiefenbach iEA07/1RS
Weishaupt WG30N/1-C ZM-LN
mts sensor 252182
autolite 3136
minco tt111pe1a
mts rpm0100md541c304311
thomas 1266
noson vm-1b-4r/hrvtau59
parker smh-1pc
sherwood a14848
sherwood a14850c
Eagle Signal b856-500
swsgelok ss-qc4s-400
swsgelok ss-4f-90
swsgelok b-815-6
swsgelok it6-8
numatics 020bw400mp00061
Rexroth r978900791
POSI-flate da-11111112
PALL ICF-31300
NUMATISC P14B-02G
DEUBLIN 155-000-151
DEUBLIN杜布林 旋转接头155-000-152
VERSA VGG-4422-U-A240
autolite 火花塞3136
aitek ca79860-01-010
aitek 7085-1010-018
magtrol 传感器HB-38-2
Dunkermotoren ZP-24-klein-5bar 10
Dunkermotoren ZP-24-klein-5bar 3
Dunkermotoren ZP-24-klein-5bar 20
PILZ 774314 6
TEKKAL EBM 9731-0315 0150*01 2
Hydac HAD 4745-A-010-000 6
Novotechnik MUP110-1 20
Burkert 227360 5
Burkert 559620 6
Sitema KRGP 022 20 20
Sitema KRGP 022 20 20
schonbuch IBCT3014 5
INFRA S50-MA-5-C21 5
Burkert 677665 12
hydac HAD 4745-A-040-000 6
Zollner 171644 2
VIPA 253-1DP01 4
Norelem 21230-4025*0635 8
Gefran LT-F-0175-S 1
ISLIKER MAGNETE GKZ-32.09-W-24F3.2 10
KTR KTR225-38*65 6
KTR KTR200-70*100 15
Burkert 560322 1
OMAL DA720411S 5
OMAL KFN42960 7
OMAL KBF68960 5
MEGGER S1-1068 1
Burkert 40947 2
Burkert 277543 4
Norelem 21230-4025*0635 1
Burkert 563780 2
Wohner 32441 12
OMAL VNC20004 3
SITEMA KRGP02820 1
EFFBE KH-F 4000 1
ATOS比例阀 DPZOAE-173-D5 20
ATOS比例阀 DKZOR-A-171-D5-40
Phoenix #2938743 MINI-PS-100-240AC/2X15DC/1
Pilz #787059
Burkert #444005
Burkert #423981
Burkert #677663
Casappa #PLP10.2 SO-29E7-L GC/GC-N-EL 00375081 07932E
Aventics/Rexroth #R412007197
Aventics/Rexroth #R412007259
Aventics/Rexroth #R412007273
Aventics/Rexroth ##0820019985
Aventics/Rexroth #R412011545
Aventics/Rexroth #R412010796 /
Maedler #16681200 25AT5/545
SITEMA #KRGP 022 20
ASM #WS10SG-500-420T-L10-SB0-D8
GEFRAN #MA4A-A-0350-E CON031 CAV012 Verl.-Leit 5 m
GEFRAN #PKIT091
GEFRAN #PCUR037
Burkert ##00248833
Burkert ##019078
Burkert ##062695
MAHLE #PI-1710/2
Walther #LP-004-0-WR510-11-2
Walther #LP-004-2-WR010-11-2
Walther #LP-006-0-WR513-11-2
Walther #LP-006-2-D0614-11-2
Walther #SP-009-2-WR521-11-2
walther #LP-006-2-D0816-11-2
Phoenix #MINI-PS-100-240AC/2X15DC/1
Phonenix #MINI-PS-100-240AC/2X15DC/1 2938743
WALTHER #LP-007-2-WR017-13-2
WALTHER #LP-007-0-S1018-13-2
WALTHER #MD-007-2-WR017-13-2
WALTHER #MD-007-0-WR021-13-2
Phoenix #FL WLAN 5100 2700718
Megger #1003-018 S1-568
OMAL #V386XT71
OMAL #V386XT69
FSG #PW70/A/IP40
HYDAC #FH062-SB2 3740528
HYDAC #FS062-NSealKit 2610184
Rexroth #R480059075
Maedler #16681200 25AT5/545
WALTHER #EC-006-2-WR017-13-2-00-P020
Burkert ##061321
Bürkert #240999
vester #PSI-25-80/3-P
Bellmer #Y10000-000005
Bellmer #Y10000-000007
Bellmer #Y10000-000009
Bellmer #Y10000-000006
Bellmer #Y10000-000008
Bellmer #Y10000-0000010
EKK #1000198
KNF N860ATE
Pumpen Peters ZP-24-klein-5bar
Mahle 852 753 DRG 60
Rexroth/Aventics #
Norgren R64G-NNT-RSN
Norgren R68G-NNT-RSN
Norgren #08800
Layher LAY-600-002-311-11
Hydac EDS8446-2-0400-002
Bar Control HDS-1-160-K-P-1
Tival Sensors FF4-4DAH 0.22-4bar
Tival Sensors FF4-120PAH 16-120bar
Parker/Hoerbiger KL3202 (incl. KZ2298)
BD Sensors DMK 331P-505-1003-1-5-100-Z00-1-1-1-200
Hydac HDA4745-A-400-031 (315bar)
Mecair MSC32-A1
Samson #4763 (1008578)
Bürkert #00155369
Norelem 05080-01
Norelem 05080-01
Norelem 03092-14105
Norelem 03092-14105
Norelem 21170-08
Norelem 21230-4000
Norelem 21230-4025*0635
Murr #6652501
Murr #6652000, 24V
Murr #6652001, 24V
Murr #6652003, 24V
Pilz #774306, 24V
Pilz #774300, 24V
Pilz #890210, 24V
Schmersal SRB 301MC
Theben TR644top2 6440100
Theben SUL181D 1810011
Theben OBELISK top2 9070404
Bürkert #00677665
Bürkert #00677676
Bürkert #00677667
Bürkert #00677669
Bürkert #00677675
Bürkert #00677679
Walther MD-007-0-WR021-19-2-G1/2
Walther MD-007-2-WR021-19-2-G1/2
Eltra EAM58CR256/8192G8/28SXX10S3PCA
Hengstler #0533405
Baumer GM400.A20A102
Baumer GXMMS.E23
Baumer GXMMW.A203EA2
Norgren TQA/8320/00
Phoenix Contact MINI-PS-100-240AC/2X15DC/1
Gefran 4T-48-4-00-0 CODE F000165
Kracht VCA 0.2 FB R1V/148
Kracht SD1-I-24
Di-Soric OBS60M30P3K-TSSL
Erhardt+Leimer PD2535 210930
Bosch Rexroth #
Bürkert #00140466
Bürkert #00179227
Bürkert #00145778
Bürkert #00132161
Bürkert #00061104
Bürkert #00262753
Bürkert #00262753
Bürkert #00262742
Bürkert #00134630
Norgren SXE0573-Z50-00K
Rexroth/Aventics #0820058026
Bürkert #00424005
Bürkert #00423913
Bürkert #00423913