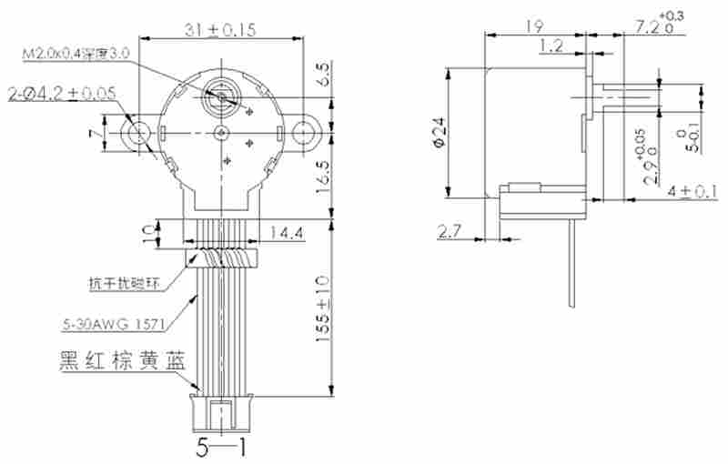
浴霸用微型电机 参数:
产品类型:减速步进电机 :BH MOTOR
型号:BH-24BYJ48-57 启动电压:5V/12V 驱动方式:4相8拍 功耗:3W
额定转速:6rpm 输入转速:非标可定制
额定电流: 非标可定制 电流: 300mA以内 输出转速:非标可定制 力量:一公斤力以上
脉冲频率:100~1400pps 减速比:5 1/16
适用范围:家用电器,空调,冰箱,智能马桶,热水器,空气净化器,卫生洁具,安防监控设备,安防转动云台,机器人,投影仪,儿童智能玩具(玩具车)等自动化控制领域
产品图片:
