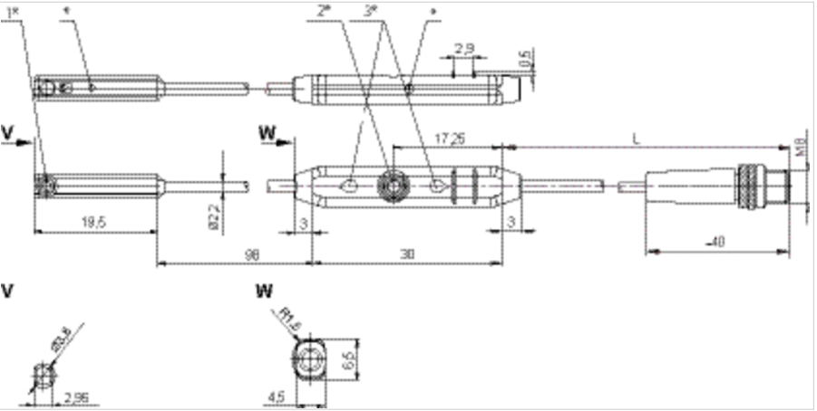
原装R412010140安沃驰传感器, 系列ST4-2P

技术参数:
- 4 mm C 沟槽
- 开关点数目 2
- 带电缆
- 多芯插头, M8x1, 4-針, 带滚花螺钉
- 电子 PNP
- 2 个开关点
- 电子 PNP
- 直接安装用于系列 PRA, SSI, RTC, GPC, MSC, MSN, RCM, CVI
- 间接安装用于系列 MNI, CSL-RD, ICM
合格证书 RoHS
低 / 高环境温度 -20 ... 75 °C
防护等级 IP65 IP67
开关点数目 2
功率消耗 15 mA
小 / 大运行电压 DC 12 ... 30 V DC
重复精度 大测量范围 0,1 mT
滞环 1 mT
开关逻辑电路 常开
显示 发光二极管
发光二极管状态显示 黄色
显示 2 发光二极管
振动阻力 10 - 55 Hz, 1 mm
冲击阻力 30 g / 11 ms
安装螺钉 带内六方
R412024123 R412024125传感器, 系列 ST4
- 4 mm C 沟槽
- 带电缆
- 多芯插头, M8, 3-針 多芯插头, M8, 3-針, 带滚花螺钉
- 延长脉冲持续时间
- 延长脉冲持续时间
- 电子 NPN 电子 PNP
- 直接安装用于系列 PRA, SSI, GSU, RTC, CKP, GPC, MSC, MSN, RCM, CVI
- 间接安装用于系列 MNI, CSL-RD, ICM
合格证书 RoHS
低 / 高环境温度 -30 ... 80 °C
防护等级 IP65 IP67
开关点精度 ±0,1 mT
小 / 大运行电压 DC 10 ... 30 V DC
开关逻辑电路 常开
脉冲延长 20 ms
显示 发光二极管
发光二极管状态显示 黄色
振动阻力 10 - 55 Hz, 1 mm
冲击阻力 30 g / 11 ms
安装螺钉 组合情况:活塞环开口(槽缝)与内六角

原装R412010140安沃驰传感器, 系列ST4-2P