D3W004CNJW现货
宁波思承流体技术有限公司进口液压元件销售优势 :
产品质量作为保证
宁波思承流体技术有限公司主要经销欧洲北美洲企业产品及液压成套设备。公司主要经销的有:Parker派克,德国Rexroth力士乐、美国VICKERS威格士,美国DENISON丹尼逊、德国HAWE哈威,德国HYDAC贺德克,阿托斯ATOS等

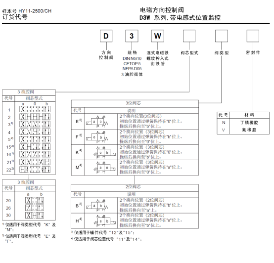
D3W是一种3油腔、电控、3位4通或2位4通滑阀换向阀,通过带有螺纹衔铁管的湿式换向电磁铁进行直接操纵
公称尺寸:DIN NG10/CETOP 05/NFPA D05
接口:DIN 24340 A10/ISO 4401/CETOP RP 121-H/NFPA D05
安装位置:任意,优先选择水平位置
环境温度:-25°C...+50°C
连接螺栓:4个DIN 912 M6x40-12.9;扭矩13.6Nm±10%
工作介质:液压油依照DIN 51524/51525标准
油液温度:-25°C至+70°C
粘度:2.8至400 mm2/s(2.8至400cSt)
工作压力:
P,A和B:350bar
T:210bar(标准的105bar;代号H:210bar)
泄漏△p=50bar;v=35mm2/s:每个控制边至20ml/min,与阀芯有关
MAX流量:直流150l/min;交流115l/min
允许的污染度:NAS 1638等级7-9,达到β10>75
启动时间:ED;注意:线圈温度可达150°
防护级别:IP 65依照DIN 40050(在插和装情况下)
max换向频率:10000次/小时
接线方式:插头板依照DIN 43650标准,可选择结构形式AF/PG11的插座


Parker派克D3W系列3油腔电动式换向阀
Parker派克D3W系列3油腔电动式换向阀是一种3油腔、电控、3位4通或2位4通滑阀换向阀,通过带有螺纹衔铁管的湿式换向电磁铁进行直接操纵。
Parker派克D3DW系列5油腔电磁换向阀
Parker派克D3DW系列5油腔电动式换向阀是一种5油腔、电控、3位4通或2位4通滑阀或换向阀,通过带有螺纹衔铁管的湿式电磁铁进行直接操纵换向。
Parker派克D3W/D3DW系列带电感位置控制电磁换向阀
Parker派克D3W/D3DW系列带电感位置控制电磁换向阀是一种通过电磁铁直接操纵的带电感位置控制的2位4通换向阀,可被用作监控阀。可以有选择的对初始位置或终点位置进行监控。只有单电磁铁阀可以用于位置控制。断电时换向阀的可靠位置为初始位置,其通过复位弹簧来保持的。

宁波思承流体技术有限公司是一家从事国外进口液压、电子元件、液压设备的贸易型公司。主要经营欧美:REXROTH德国力士乐、VICKERS美国威格士、ATOS意大利阿托斯、SUN美国太阳、DENISON法国丹尼逊、PARKER美国派克、DUPLOMATIC意大利迪普马、HAWE德国哈威、CALZONI意大利卡桑尼、MOOG美国穆格等。产品广泛应用于钢铁、冶金、石油化工、航天、船舶制造、煤炭、水泥、电力、汽车、工程机械、食品、药业、林业、纺织、皮革、造纸等行业及领域。
宁波思承流体技术有限公司秉承“诚信为本、客户至上、合作共赢”的经营理念,以优惠的价格,完善的服务和灵活的销售方式为广大新老客户服务。为了更好的满足客户的需求,部分产品公司备有库存,同时公司在不断的发展中已与国内外众多供应商建立了良好的合作关系,在产品价格及供货周期上具有优势,相信与您的合作将达到一个的双赢结果。
| 派克 | D3FBB32MC0NF00 | 现货 |
| 派克阀 | D3FBE01SC0NF00 | 现货 |
| 派克 | D3FBE02MC0VKW0 | 现货 |
| 派克阀 | D3FBE02SC0NF00 | 现货 |
| 派克阀 | D3W001CNJW | 现货 |
| 派克阀 | D3W001CNJW | 现货 |
| 派克阀 | D3W004CNJW | 现货 |
| 派克阀 | D3W004CNJW | 现货 |
| 派克阀 | D3W020BNJW | 现货 |
| 派克阀 | D3W020BNJW | 现货 |
| 派克阀 | D3W020BVJW | 现货 |
| 派克阀 | D3W020DVJW | 现货 |
| 派克 | D3W030BNJW42 | 现货 |
| 派克阀 | D3W1BVDC14X2190 | 现货 |
| 派克阀 | D41FBE01FC1NF00 | 现货 |
| 派克阀 | D41FBE02FC1NF00 | 现货 |
| 派克 | D41FBE02FC1NS00 | 现货 |
| 派克阀 | D41FCB31CC1NE70 | 现货 |
| 派克阀 | D41FCB31FC1NE70 | 现货 |
| 派克阀 | D41FCE01CC1NE70 | 现货 |
| 派克阀 | D41FCE01FC1NB70 | 现货 |
| 派克阀 | D41FCE01FC1NE70 | 现货 |
| 派克阀 | D41FCE01FC1NE70 | 现货 |

派克电磁阀 | D1SE30BNJW | 宁波思承现货 |
派克电磁阀 | D1SE83BNJW | 宁波思承现货 |
派克电磁阀 | D1VW001CNJW | 宁波思承现货 |
派克电磁阀 | D1VW001CNJW | 宁波思承现货 |
派克电磁阀 | D1VW001FNJW | 宁波思承现货 |
派克电磁阀 | D1VW001MNJW | 宁波思承现货 |
派克电磁阀 | D1VW002CNJW | 宁波思承现货 |
派克电磁阀 | D1VW002CNJW | 宁波思承现货 |
派克电磁阀 | D1VW004CVJW | 宁波思承现货 |
派克电磁阀 | D1VW006CNJW | 宁波思承现货 |
派克电磁阀 | D1VW006KNJW | 宁波思承现货 |
派克电磁阀 | D1VW020BNGW | 宁波思承现货 |
派克电磁阀 | D1VW020BNJW | 宁波思承现货 |
派克电磁阀 | D1VW020BNJW | 宁波思承现货 |
派克电磁阀 | D1VW020BNTCF | 宁波思承现货 |
派克电磁阀 | D1VW020BVJW | 宁波思承现货 |
派克电磁阀 | D1VW020BVTW | 宁波思承现货 |
派克电磁阀 | D1VW020DNJDJ591 | 宁波思承现货 |
派克电磁阀 | D1VW020DNJW91 | 宁波思承现货 |
派克电磁阀 | D1VW020DNYW | 宁波思承现货 |
派克电磁阀 | D1VW020HNJDJ591 | 宁波思承现货 |
派克电磁阀 | D1VW020HNJW | 宁波思承现货 |
派克电磁阀 | D1VW020HNJW | 宁波思承现货 |
派克电磁阀 | D1VW020HNJW | 宁波思承现货 |
派克电磁阀 | D1VW034CNJW | 宁波思承现货 |
派克电磁阀 | D1VW081ENJPS2 | 宁波思承现货 |
派克电磁阀 | D3DP026D2N | 宁波思承现货 |
派克电磁阀 | D3W001CNJW | 宁波思承现货 |
派克电磁阀 | D3W001CNJW | 宁波思承现货 |
派克电磁阀 | D3W004CNJW | 宁波思承现货 |
派克电磁阀 | D3W004CNJW | 宁波思承现货 |
派克电磁阀 | D3W004CVJW | 宁波思承现货 |
派克电磁阀 | D3W020BNJW | 宁波思承现货 |
派克电磁阀 | D3W020BVJW | 宁波思承现货 |
派克电磁阀 | D3W020DVJW | 宁波思承现货 |
派克电磁阀 | D3W030BNJW42 | 宁波思承现货 |
派克电磁阀 | D41VW001C4NJW | 宁波思承现货 |
派克电磁阀 | D41VW004C4NJW | 宁波思承现货 |
派克电磁阀 | D41VW020B6NJW | 宁波思承现货 |
派克电磁阀 | D41VW020B6NJW | 宁波思承现货 |
宁波思承流体技术有限公司主营产品:
Parker派克(DENISON丹尼逊)全系列产品:液压、气动、电子、密封、过滤及管接头等,价格及货期都具有优势,原装!
REXROTH力士乐全系列: 德国原装进口,只要有量,我们可以直接国外申请非常好的价格!
EATON伊顿(VICKERS威格士、INTERNORMEN、IH等),直接国外源头采购,部分系列价格非常好!
HAWE哈威(及SUNFAB胜凡):为水泥厂、工程机械备有现货,部分
R系列径向柱塞泵:R9.8-9.8-9.8-9.8A现货、R8.3-8.3-8.3-8.3A、R11.8-11.8-11.8-11.8、R1.08、R2.5A、R4.3A、R5.6A、R3.3-1.7-1.7-1.7-1.7A
MOOG穆格:伺服阀、柱塞泵、伺服电机、伺服油缸等
ATOS优势系列:比例阀、伺服阀及防爆阀价格具有优势,常规型号备有现货
齿轮泵及马达:BUCHER布赫、MARZOCCHI马祖奇、
液压泵阀:SAUER DONFOSS、BIERI比利、DUPLOMATIC迪普马、Wandfluh万福乐、CONTINENTAL HYDRAULICS、Linde林德、Oilgear、ESM弹性支撑、VOITH福伊特、SETTIMA赛特玛螺杆泵、EMG伺服阀、SAMSON阀门、NORGERN、MAAG马格
水泵:丹佛斯APP、PAH水泵、CAT水泵、格兰富GRUNDFOS、WATER、台湾河见HCP水泵等
D3W004CNJW现货
D3W004CNJW现货