意大利CAMOZZI(单出杆)气缸

完整介绍
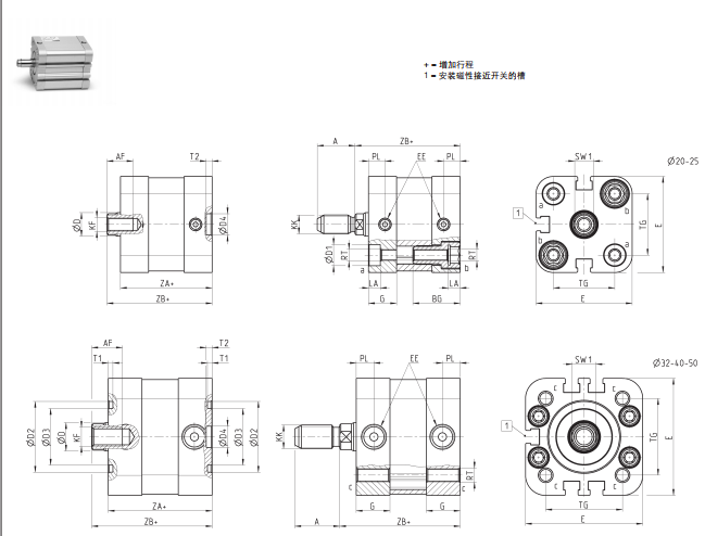
系列综合参数
结构形式 紧凑型
工作方式 单作用和双作用,磁传
材料 铝合金型材缸筒,阳极氧化铝合金端盖和活塞,辊轧 AISI 303 不锈钢活塞杆,聚氨酯密封件
安装方式 借助端盖上的螺纹孔
法兰,脚架,耳轴
行程(1) 缸径 20 - 25 = 5 ÷ 300 mm
缸径 32 - 40 - 50 - 63 = 5 ÷ 400 mm
缸径 80 - 100 = 5 ÷ 500 mm
工作温度 0 ÷ 80°C(干燥空气为 -20°C)
工作压力 双作用:1 ÷ 10 bar
单作用:2 ÷ 10 bar
介质 洁净空气,不需润滑。如使用了油雾润滑,应不间断地使用油雾润滑(建议使用 ISO VG32 润滑油)
工作速度 10 ÷ 1000 mm/s (空载)
| SCU602-M5 |
| SCU604-1/8 |
| SCU606-1/4 |
| SCU608-3/8 |
意大利CAMOZZI(单出杆)气缸